logo

Crowdly

Browser

Add to Chrome

LABORATORIO DE MECATRONICA

Looking for LABORATORIO DE MECATRONICA test answers and solutions? Browse our comprehensive collection of verified answers for LABORATORIO DE MECATRONICA at online.upr.edu.

Get instant access to accurate answers and detailed explanations for your course questions. Our community-driven platform helps students succeed!

This error is a measurement of the non-linearity of a system.

View this question

The output of this analog sensor is an e.m.f. proportional to the magnitude of the temperature being measured. Requires a reference temperature at the reference junction. 

View this question

What is this code doing?

void setup() {

  Serial.begin(9600);

}

void loop() {

  int volt = analogRead(A1);

  float voltage = volt * (5.0 / 1023.0);

  Serial.println(volt);

}

0%
0%
0%
0%
0%
View this question

Match the symbol with its use

View this question

I want to configure a pin to behave as an output. Which function should I use?

View this question

What is this code doing?

void setup() {

  pinMode(5, OUTPUT)

}

void loop() {

  digitalWrite(5, HIGH)

  delay(1000)              

  digitalWrite(5, LOW)

  delay(1000)             

}

View this question

What is this code doing?

void setup() {

  Serial.begin(9600);

}

void loop() {

  int volt = analogRead(A1);

  float voltage = volt * (5.0 / 1023.0);

  Serial.println(voltage);

}

View this question

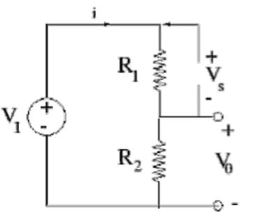
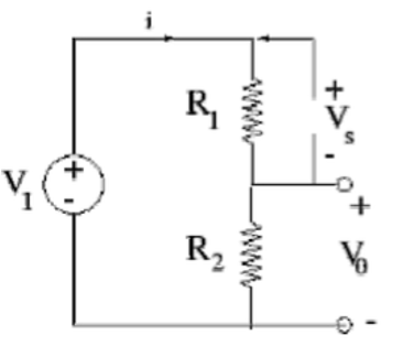
5 Volts are applied to the following circuit.

R1 is 10 kOhm, while R2 is 1 Ohm. 

Which of the following statement(s) are correct?

0%
0%
100%
0%
View this question

Which of the two behaviors is correct when using the following circuit and plotting the output voltage across R2, V0, as a function of R2/(R1+R2) ?

0%
0%
View this question

Which of the two behaviors is correct when using the following circuit and plotting the output voltage across R2, V0, as a function of R2 ?

0%
100%
View this question

Want instant access to all verified answers on online.upr.edu?

Get Unlimited Answers To Exam Questions - Install Crowdly Extension Now!

Browser

Add to Chrome