logo

Crowdly

Browser

Add to Chrome

Інженерна механіка (ММК)

Looking for Інженерна механіка (ММК) test answers and solutions? Browse our comprehensive collection of verified answers for Інженерна механіка (ММК) at op.tsatu.edu.ua.

Get instant access to accurate answers and detailed explanations for your course questions. Our community-driven platform helps students succeed!

Задано стержень круглого поперечного перерізу.

На яку кількість ділянок треба поділити даний стержень для побудови епюри N?
0%
0%
0%
0%
View this question
Задано стержень круглого поперечного перерізу

На яку кількість ділянок треба поділити даний стержень для побудови епюри N?
0%
0%
0%
View this question
Визначити максимальне абсолютне подовження в момент розриву, якщо початкова довжина зразка , а довжина в момент розриву ?
0%
0%
0%
0%
View this question
Яка одиниця вимірювання абсолютної деформації ?
100%
0%
0%
0%
View this question
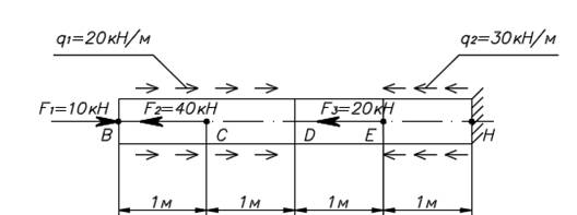
Задано ступінчастий стержень круглого поперечного перерізу з побудованою епюрою внутрішньої поздовжньої сили N.

Площа поперечного перерізу на ділянках ВС і ЕН стержня дорівнює А=200мм2, а на ділянках CD і DE дорівнює А = 400мм2. Матеріал стержня – Ст3, допустимі напруження матеріалу [σ] = 160МПа, а модуль пружності першого роду Е=2∙105МПа. Чому дорівнює максимальне за абсолютною величиною напруження, що виникає в перерізах даного стержня?
0%
0%
0%
0%
View this question
Закон Гука пов'язує :
View this question
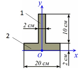
Задано складний перетин, що складається з двох прямокутників. Позначимо верхній прямокутник №1, а нижній №2.

Чому дорівнює площа поперечного перерізу другої фігури?
0%
0%
0%
0%
100%
0%
0%
0%
View this question
Деформації, які мають властивість з'являтися при прикладенні навантаження і зникати після його зняття називають:
0%
0%
0%
0%
View this question
Який метод використовують для визначення внутрішніх сил N?
View this question
Яка одиниця вимірювання механічного напруження?
0%
0%
0%
0%
View this question

Want instant access to all verified answers on op.tsatu.edu.ua?

Get Unlimited Answers To Exam Questions - Install Crowdly Extension Now!

Browser

Add to Chrome