logo

Crowdly

Browser

Add to Chrome

Automatique séquentielle

Looking for Automatique séquentielle test answers and solutions? Browse our comprehensive collection of verified answers for Automatique séquentielle at pedagogie.eigsi.fr.

Get instant access to accurate answers and detailed explanations for your course questions. Our community-driven platform helps students succeed!

Choisissez l'appareil que l'on ne trouve que dans un schéma hydraulique (jamais dans un schéma pneumatique) :

0%
0%
0%
0%
0%
0%
0%
0%
View this question

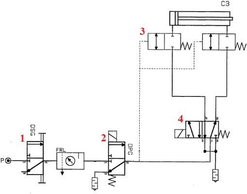
Dans ce schéma, le symbole numéroté 2 est (2 bonnes réponses) :

0%
0%
0%
0%
100%
0%
0%
0%
0%
0%
0%
100%
0%
0%
0%
0%
View this question

Choisir le nom générique des 4 constituants que l'on retrouve systématiquement dans un  circuit de puissance pneumatique

0%
0%
0%
0%
0%
0%
0%
0%
View this question

Quel est le nom des constituants schématisés par les symboles suivants :

View this question

Pour les symboles qui suivent, déterminer la description qui le caractérise le mieux :

View this question

Quel système de traitement utiliser de préférence pour satisfaire au mieux cette contrainte :

Système programmé & programmation la plus simple possible

0%
0%
0%
0%
0%
0%
0%
0%
0%
View this question

Les sorties d’un API sont en général directement reliées à (choisir 2 réponses) :

100%
100%
0%
0%
0%
View this question

On dispose du grafcet décrit ci-dessous :

On suppose que X1=0 et recept = 1

La transition associée à recept est (2 bonnes réponses) :

0%
0%
0%
0%
0%
0%
View this question

Voici un extrait de grafcet : 

L'action correspond à (choisir 2 réponses) :

0%
0%
100%
100%
0%
0%
View this question

Choisir une caractéristique d'une loi relative aux systèmes automatisés, parmi parmi les caractéristiques listées :

0%
0%
0%
0%
0%
0%
0%
0%
View this question

Want instant access to all verified answers on pedagogie.eigsi.fr?

Get Unlimited Answers To Exam Questions - Install Crowdly Extension Now!

Browser

Add to Chrome