logo

Crowdly

Browser

Add to Chrome

Elektronika w motoryzacji (UBZO), studia stacjonarne, semestr letni, 2024/25

Looking for Elektronika w motoryzacji (UBZO), studia stacjonarne, semestr letni, 2024/25 test answers and solutions? Browse our comprehensive collection of verified answers for Elektronika w motoryzacji (UBZO), studia stacjonarne, semestr letni, 2024/25 at platforma.polsl.pl.

Get instant access to accurate answers and detailed explanations for your course questions. Our community-driven platform helps students succeed!

Na rysunku pokazany jest pewien charakterystyczny element obecny w większości układów rozruchowych. Co to za element?

0%
0%
0%
0%
0%
View this question

Na rysunku pokazany jest schemat ideowy układu ABS. Proszę określić, co dzieje się z ciśnieniem (siłą) hamowania przy położeniu zaworu  (3a) jak na rysunku.

50%
50%
0%
View this question

Na rysunku pokazany jest poglądowo czujnik kąta skrętu kierownicy wykorzystywany w układach stabilizacji toru jazdy (ESP i inne). Jakiego typu jest to czujnik?

0%
100%
0%
0%
0%
View this question

Układ kontroli trakcji (np. ASR) ma za zadanie przeciwdziałać "buksowaniu" się kół napędzanych. Układ ten wykorzystuje pewne możliwości działania układu ABS i układu sterowania silnikiem. Jaka jest hierarchia sterowania w ASR?

100%
0%
0%
View this question

Na rysunku pokazany jest przebieg sygnału z pewnego elementu układu wtryskowego. Proszę zanalizować cechy tego przebiegu i określić, co to za element.

0%
0%
0%
0%
View this question

Czujnik pedału gazu w pewnym samochodzie wykorzystuje magnes będący głównym elementem obwodu zbudowanego z elementów ferromagnetycznych oraz halotron. Efekt działania tego czujnika w postaci sygnału wyjściowego pokazany jest na rysunku. Co się stanie, jeśli magnes ulegnie częściowemu zdemagnesowaniu?

0%
0%
0%
100%
View this question

Na rysunku pokazana jest charakterystyka wyjściowa pewnego elementu układu wtryskowego. Co to za element?

0%
0%
0%
0%
View this question

W układzie wtryskowym uszkodzeniu uległ przepływomierz. Jaki element układu wtryskowego może w pewnej mierze zastąpić ten miernik?

0%
0%
100%
0%
View this question

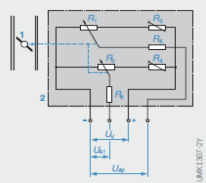
Na rysunku pokazany jest schemat elektryczny pewnego urządzenia, stosowanego w układach wtryskowych. Co to za urządzenie?

0%
0%
0%
0%
0%
0%
0%
View this question

W układach wtrysku bezpośredniego stosowane są często wtryskiwacze paliwa o tej samej zasadzie działania, co w układach wtrysku pośredniego, czyli elektromagnetyczne. Istnieje jednak pewna zasadnicza różnica w sterowaniu tych wtryskiwaczy, jaka?

0%
0%
View this question

Want instant access to all verified answers on platforma.polsl.pl?

Get Unlimited Answers To Exam Questions - Install Crowdly Extension Now!

Browser

Add to Chrome