logo

Crowdly

Browser

Add to Chrome

271 Річковий та морський транспорт ОС - Бакалавр

Looking for 271 Річковий та морський транспорт ОС - Бакалавр test answers and solutions? Browse our comprehensive collection of verified answers for 271 Річковий та морський транспорт ОС - Бакалавр at train.edki.gov.ua.

Get instant access to accurate answers and detailed explanations for your course questions. Our community-driven platform helps students succeed!

Визначте, яке живлення отримує контролер котушки низької напруги автоматичного вимикача генератора за наведеною електричною схемою керування?

1

View this question

На схемі, що представлена на рисунку, трансформатор TV2 знеструмлений, а автоматичні вимикачі QF4 та QF6 вимкнені (Open) та заземлені. Усі інші автоматичні та секційні вимикачі ввімкненні (Close). Яка дія буде наступною з точки зору дотримання заходів безпеки підчас безпечного введення в дію трансформатору TV2 після: 1. Від'єднання QF6 від заземлення, блокування ввімкнення та попереджувальні повідомлення "Не вмикати, працюють люди!" залишаються; 2. Розблокування та зняття заземлення QF4 та шинопроводів, скидання всіх реле захисту?

11

View this question

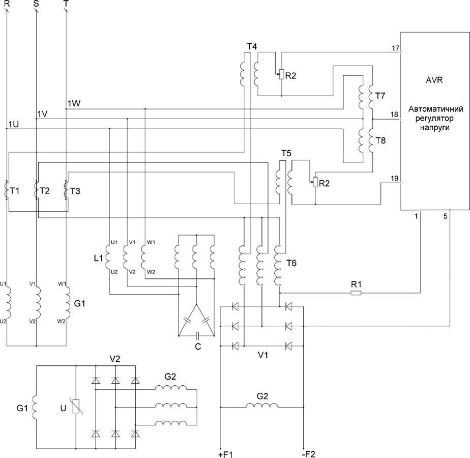
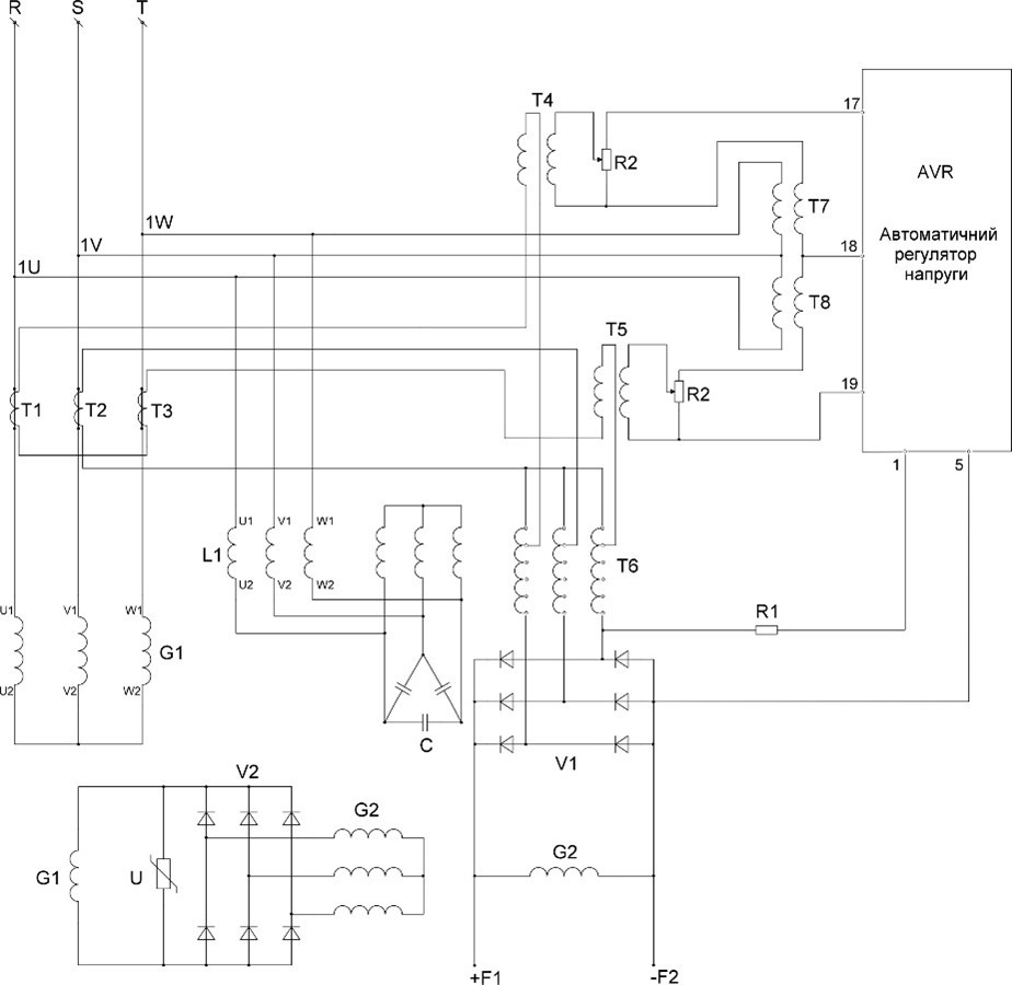
На рисунку представлений фрагмент принципової схеми самозбудження та регулювання напруги суднового синхронного генератору, яка працює за принципом амплітудно-фазового компаундування. Яке позиційне позначення на схемі присвоєно вимірювальному трансформатору струму?

1

0%
0%
0%
View this question

Скільки способів запуску електричного двигуна суднової стернової установки зображено на електричній схемі?

1

View this question

Яка з наведених схем є схемою з’єднання споживачів зіркою, а яка - трикутником?

1

View this question

За допомогою яких схем підключення вимірювальних приладів можна зробити вимір потужності резистора R1?

1

View this question

На рисунку показаний шильд високовольтного двигуна, що використовується в гребних електричних установках з перетворювачами частоти. Що означає позначка "Ex nA" у відповідності до вимог використання в небезпечних зонах?

1

View this question

Як зміняться покази вимірювальних приладів при зміні напруги джерела живлення з 1 на 1?

1

View this question

На рисунку зображена структура електроенергетичної системи судна, де прийняті наступні скорочення: АГ - аварійний генератор; АП - автоматичний перемикач; АРЩ - аварійний розподільчий щит; Г1-4 - генератори 1-4. У якому стані повинні знаходитись автоматичні вимикачі 1, 2 та 3 у нормальному режимі роботи електроенергетичної системи на ходу судна?

1

View this question

Якому з нижче вказаних способів пуску електричного двигуна постійного струму з незалежним збудженням відповідає характеристика, що зображена на наведеному рисунку?

1

View this question

Want instant access to all verified answers on train.edki.gov.ua?

Get Unlimited Answers To Exam Questions - Install Crowdly Extension Now!

Browser

Add to Chrome