logo

Crowdly

Browser

Add to Chrome

271 Річковий та морський транспорт ОС - Бакалавр

Looking for 271 Річковий та морський транспорт ОС - Бакалавр test answers and solutions? Browse our comprehensive collection of verified answers for 271 Річковий та морський транспорт ОС - Бакалавр at train.edki.gov.ua.

Get instant access to accurate answers and detailed explanations for your course questions. Our community-driven platform helps students succeed!

З векторної діаграми явнополюсного синхронного генератора витікає зв'язок поміж кутами 1, де 1- кут навантаження. Між якими векторами на векторній діаграмі вказують кут навантаження 1?

1

0%
0%
0%
0%
View this question

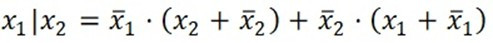
Яку логічну функцію реалізує схема на рисунку?

1

0%
0%
0%
100%
View this question

На рисунку представлений фрагмент принципової схеми самозбудження та регулювання напруги суднового синхронного генератору, яка працює за принципом амплітудно-фазового компаундування. Яке позиційне позначення на схемі присвоєно вимірювальному трансформатору струму?

1

0%
0%
0%
0%
View this question

На рисунку зображена структура електроенергетичної системи судна, де прийняті наступні скорочення: АГ - аварійний генератор; АП - автоматичний перемикач; АРЩ - аварійний розподільчий щит; Г1-4 - генератори 1-4. У якому стані повинні знаходитись автоматичні вимикачі 1, 2 та 3 у нормальному режимі роботи електроенергетичної системи на ходу судна?

1

0%
0%
0%
0%
View this question

Для визначення стану ізоляції існує декілька різних методів виміру опору ізоляції. Для високовольтного обладнання рекомендується проводити тест з визначенням індексу поляризації (PI – polarization index test). Яке з нижче приведених визначень відповідає цьому методу?

1

0%
0%
0%
100%
View this question

На рисунку зображено паспортні дані електродвигуна який встановлений в вибухонебезпечному приміщені. Якому типу захисту відповідає маркування “tb”?

1

0%
0%
0%
100%
View this question

На рисунку показаний шильд високовольтного двигуна, що використовується в гребних електричних установках з перетворювачами частоти. Що означає позначка "Ex nA" у відповідності до вимог використання в небезпечних зонах?

1

0%
100%
0%
0%
View this question

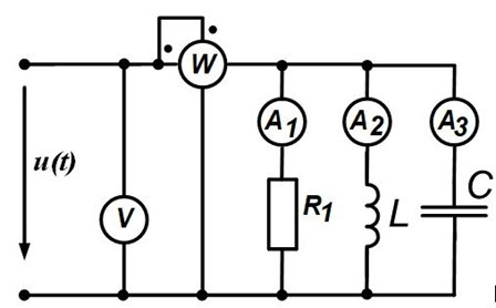
За допомогою яких схем підключення вимірювальних приладів можна зробити вимір потужності резистора R1?

1

0%
0%
0%
100%
View this question

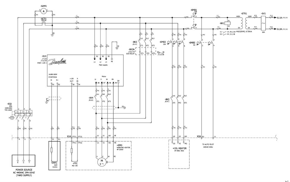
Скільки способів запуску електричного двигуна суднової стернової установки зображено на електричній схемі?

1

0%
0%
0%
0%
View this question

Яка з наведених схем є схемою з’єднання споживачів зіркою, а яка - трикутником?

1

0%
0%
0%
0%
View this question

Want instant access to all verified answers on train.edki.gov.ua?

Get Unlimited Answers To Exam Questions - Install Crowdly Extension Now!

Browser

Add to Chrome