logo

Crowdly

Browser

Add to Chrome

271 Річковий та морський транспорт ОС - Бакалавр

Looking for 271 Річковий та морський транспорт ОС - Бакалавр test answers and solutions? Browse our comprehensive collection of verified answers for 271 Річковий та морський транспорт ОС - Бакалавр at train.edki.gov.ua.

Get instant access to accurate answers and detailed explanations for your course questions. Our community-driven platform helps students succeed!

У суднових високовольтних системах найчастіше застосовується резистор заземлення нейтралі “NER” (Neutral Earth Resistor). Який буде максимальний струм в резисторі "NER" при замиканні на землю однієї з фаз генератора (6600 В, потужністю 1000 кВт, cos фі 0,8) з резистором заземлення нейтралі 500 Ом?

1

0%
0%
0%
0%
View this question

За допомогою яких схем підключення вимірювальних приладів можна зробити вимір потужності резистора R1?

1

0%
0%
0%
0%
View this question

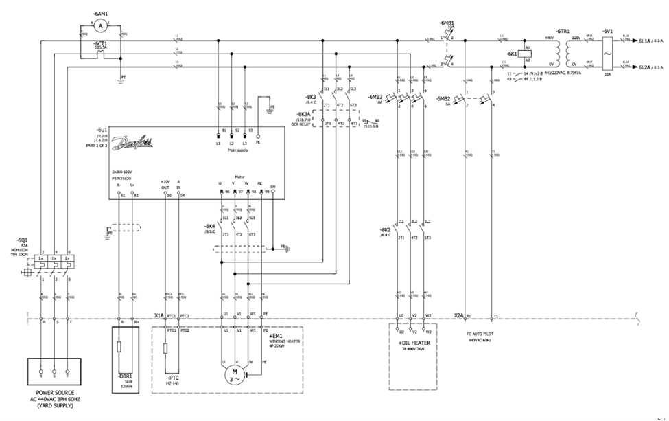
Скільки способів запуску електричного двигуна суднової стернової установки зображено на електричній схемі?

1

0%
0%
0%
0%
View this question

Яку логічну функцію реалізує схема на рисунку?

1

View this question

На рисунку представлений фрагмент принципової схеми самозбудження та регулювання напруги суднового синхронного генератору, яка працює за принципом амплітудно-фазового компаундування. Яке позиційне позначення на схемі присвоєно вимірювальному трансформатору струму?

1

0%
0%
0%
View this question

На схемі, що представлена на рисунку, трансформатор TV2 знеструмлений, а автоматичні вимикачі QF4 та QF6 вимкнені (Open) та заземлені. Усі інші автоматичні та секційні вимикачі ввімкненні (Close). Яка дія буде наступною з точки зору дотримання заходів безпеки підчас безпечного введення в дію трансформатору TV2 після: 1. Від'єднання QF6 від заземлення, блокування ввімкнення та попереджувальні повідомлення "Не вмикати, працюють люди!" залишаються; 2. Розблокування та зняття заземлення QF4 та шинопроводів, скидання всіх реле захисту?

11

0%
0%
0%
View this question

На рисунку зображено паспортні дані електродвигуна який встановлений в вибухонебезпечному приміщені. Якому типу захисту відповідає маркування “tb”?

1

View this question

З векторної діаграми явнополюсного синхронного генератора витікає зв'язок поміж кутами 1, де 1- кут навантаження. Між якими векторами на векторній діаграмі вказують кут навантаження 1?

1

View this question

Яке обладнання розташовується у відсіку «А» секції типового високовольтного розподільчого щита, зображеного на рисунку?

1

View this question

Визначте, яке живлення отримує контролер котушки низької напруги автоматичного вимикача генератора за наведеною електричною схемою керування?

1

View this question

Want instant access to all verified answers on train.edki.gov.ua?

Get Unlimited Answers To Exam Questions - Install Crowdly Extension Now!

Browser

Add to Chrome