logo

Crowdly

Browser

Add to Chrome

Електроживлення пристроїв та систем

Looking for Електроживлення пристроїв та систем test answers and solutions? Browse our comprehensive collection of verified answers for Електроживлення пристроїв та систем at vns.lpnu.ua.

Get instant access to accurate answers and detailed explanations for your course questions. Our community-driven platform helps students succeed!

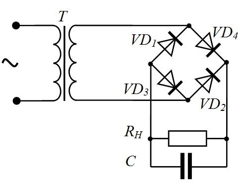
На якому рисунку наведено осцилограму напруги на

навантаженні для цієї схеми при умові, що 1/ωС

<<RH?

0%
0%
0%
0%
View this question

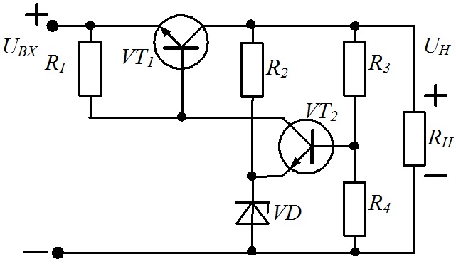
На рисунку представлена схема:

View this question

Яка з наведених навантажувальних характеристик є

характеристикою лінійного стабілізатора в інтегральному виконанні?

View this question

Чому дана схема стабілізатора напруги не буде

працювати?

0%
0%
0%
0%
View this question

Чому дана схема стабілізатора напруги не буде

працювати?

0%
0%
0%
0%
View this question

Форма напруги на виході згладжувального фільтра

показана на рисунку. U

max

= 12B;  

U

min = 8B. Розрахуйте коефіцієнт пульсації у відсотках.

View this question

Які гілки даної схеми можуть стати шляхом

проникнення кондуктивної завади для чутливого навантаження?

View this question

Яка основна ознака наявності нелінійного

навантаження мережі електроживлення?

View this question

За яким виразом можна розрахувати постійну складову періодичної напруги ?

View this question

На якому рисунку наведено осцилограму напруги на

навантаженні для цієї схеми при умові, що опір конденсатора співмірний з

опором навантаження?

0%
0%
0%
0%
View this question

Want instant access to all verified answers on vns.lpnu.ua?

Get Unlimited Answers To Exam Questions - Install Crowdly Extension Now!

Browser

Add to Chrome