logo

Crowdly

Browser

Add to Chrome

Електроживлення пристроїв та систем

Looking for Електроживлення пристроїв та систем test answers and solutions? Browse our comprehensive collection of verified answers for Електроживлення пристроїв та систем at vns.lpnu.ua.

Get instant access to accurate answers and detailed explanations for your course questions. Our community-driven platform helps students succeed!

Ефективне

значення гармонічної напруги на вході діодного мостика складає 80 В. Яка

напруга на навантаженні при застосуванні ємнісного фільтра? Результат

заокруглити до цілих. Діоди вважати ідеальними.

View this question

На якому рисунку зображено навантажувальну

характеристику ідеального джерела струму?

0%
10%
10%
0%
0%
View this question

Які гілки даної схеми можуть стати шляхом

проникнення кондуктивної завади для чутливого навантаження?

0%
0%
0%
0%
100%
View this question

Коефіцієнт фільтрації фільтра це відношення

88%
0%
0%
13%
View this question

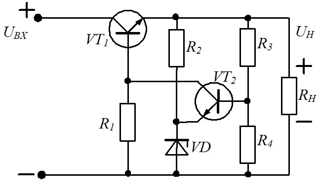
Представлена на рисунку схема дозволяє реалізувати

100%
0%
0%
0%
0%
View this question

При зміні напруги на вході стабілізатора, на пруга

на його виході змінюється так, як показано на рис:

UBXmin=8

 B;

U

BXmax=13 B; UBИXmin=5 B; UBИXmax=5,1 B

. Визначіть

коефіцієнт стабілізації з точністю до цілих.

0%
100%
0%
0%
0%
View this question

Визначіть коефіцієнт стабілізації параметричного стабілізатора  напруги з точністю до цілих чисел.   Вхідна напруга Ubx=9В,  Напруга стабілізації Ucт=5B, баластний опір  R0=300.  ВАХ стабілітрона представлена на рисунку. 

При розрахунку струм визначати з точністю до одного міліампера, опір до одного ома, напругу до однієї десятої вольта.  

View this question

Чому дана схема стабілізатора напруги не буде

працювати?

0%
0%
0%
100%
0%
View this question

Коефіцієнт згладження пульсацій фільтра це відношення

View this question

Коефіцієнт фільтрації фільтра, який складається з

двох ланок з коефіцієнтами фільтрації Кф1 і Кф2:

View this question

Want instant access to all verified answers on vns.lpnu.ua?

Get Unlimited Answers To Exam Questions - Install Crowdly Extension Now!

Browser

Add to Chrome