logo

Crowdly

Browser

Add to Chrome

Електроживлення пристроїв та систем

Looking for Електроживлення пристроїв та систем test answers and solutions? Browse our comprehensive collection of verified answers for Електроживлення пристроїв та систем at vns.lpnu.ua.

Get instant access to accurate answers and detailed explanations for your course questions. Our community-driven platform helps students succeed!

Напруга

на навантаженні містить постійну складову 100 В та гармоніку мережі з

амплітудою 20 В. Визначити ефективне значення цієї напруги.

View this question

При заданих осцилограмах напруги і струму, який із

способів вимірювання різниці фаз Ви оберете?

0%
0%
0%
100%
0%
View this question

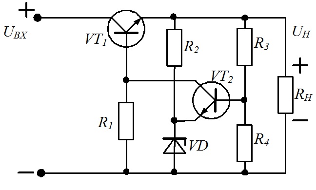
Чому дана схема стабілізатора напруги не буде

працювати?

0%
0%
0%
100%
0%
View this question

Ідеальний імпульсний стабілізатор напруги працює при

номінальній вхідній напрузі 12 В і споживає струм 2 А. Який буде вхідний струм

стабілізатора, якщо вхідна напруга зменшиться на 2 В?

View this question

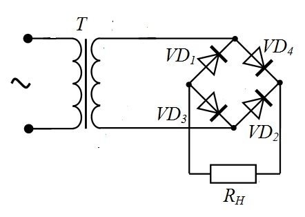
Представлена на рисунку схема дозволяє реалізувати

0%
0%
100%
0%
0%
View this question

Коефіцієнт згладжування індуктивного фільтра, який

встановлено на виході двофазної однотактної схеми випрямлення при частоті мережі

ω:

View this question

При відомій амплітуді Um

періодичної напруги

синусоїдної форми її

(діюче; ефективне) значення дорівнює:

View this question

Форма напруги на виході згладжувального фільтра

показана на рисунку. U

max

= 12B;  

U

min = 8B. Розрахуйте коефіцієнт пульсації у відсотках.

0%
0%
0%
100%
0%
View this question

На якому рисунку наведено осцилограму напруги на

навантаженні для цієї схеми?

0%
0%
0%
0%
100%
View this question

Представлена на рисунку схема дозволяє реалізувати

100%
0%
0%
0%
0%
View this question

Want instant access to all verified answers on vns.lpnu.ua?

Get Unlimited Answers To Exam Questions - Install Crowdly Extension Now!

Browser

Add to Chrome