logo

Crowdly

Browser

Add to Chrome

Електроживлення пристроїв та систем

Looking for Електроживлення пристроїв та систем test answers and solutions? Browse our comprehensive collection of verified answers for Електроживлення пристроїв та систем at vns.lpnu.ua.

Get instant access to accurate answers and detailed explanations for your course questions. Our community-driven platform helps students succeed!

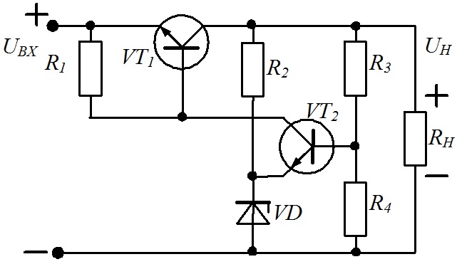
Чому дана схема стабілізатора напруги не буде

працювати?

0%
0%
0%
0%
View this question

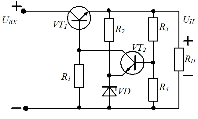
Представлена на рисунку схема дозволяє реалізувати

0%
0%
0%
0%
0%
View this question

Критична індуктивність це є:

View this question

Ознака ідеального джерела струму

View this question

Навантажувальна характеристика джерела електричної

енергії це:

View this question

Коефіцієнт згладжування ємнісного фільтра, який

встановлено на виході мостової схеми випрямлення при частоті мережі ω:

View this question

Чому дана схема стабілізатора напруги не буде

працювати?

0%
0%
0%
0%
0%
View this question

Амплітуда

гармонічної напруги на вході ідеального двопівперіодного випрямляча складає 90

В. Яка наруга на навантаженні при застосуванні індуктивного фільтра. Результат

заокруглити до цілих. Діоди вважати ідеальними.

View this question

На якому рисунку наведено осцилограму напруги на

навантаженні для цієї схеми при умові, що опір конденсатора співмірний з

опором навантаження?

View this question

Один із способів визначення коефіцієнта корисної

дії джерела електричної енергії:

View this question

Want instant access to all verified answers on vns.lpnu.ua?

Get Unlimited Answers To Exam Questions - Install Crowdly Extension Now!

Browser

Add to Chrome