logo

Crowdly

Browser

Add to Chrome

Електроживлення пристроїв та систем

Looking for Електроживлення пристроїв та систем test answers and solutions? Browse our comprehensive collection of verified answers for Електроживлення пристроїв та систем at vns.lpnu.ua.

Get instant access to accurate answers and detailed explanations for your course questions. Our community-driven platform helps students succeed!

Збільшити потужність параметричного стабілізатора

напруги можна за рахунок застосування

View this question

Якою буде постійна складова на виході однопівперіодного 

випрямляча з ємнісним фільтром при подачі на нього періодичної

послідовності імпульсів з параметрами:

Um=10 B, T=20 мс, τ=5 мс? Прийняти, що 1/ωC<<RH.

0%
0%
0%
0%
0%
View this question

Визначіть коефіцієнт стабілізації параметричного стабілізатора  напруги з точністю до цілих чисел.   Вхідна напруга Ubx=9В,  Напруга стабілізації Ucт=5B, баластний опір  R0=300.  ВАХ стабілітрона представлена на рисунку. 

При розрахунку струм визначати з точністю до одного міліампера, опір до одного ома, напругу до однієї десятої вольта.  

View this question

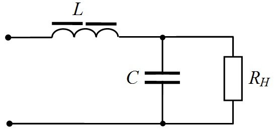
Яким повинно бути співвідношення між номіналами

елементів схеми LC фільтра?

0%
0%
0%
0%
0%
View this question

Яка з наведених характеристик є ВАХ тиристора?

0%
0%
9%
0%
0%
View this question

Яка роль зазору в магнітопроводі дроселя

згладжувального фільтра?

View this question

Ознака ідеального джерела напруги:

View this question

Щоби розрахувати ємність косинусного конденсатора, при

заданій напрузі мережі електроживлення, достатньо знати

View this question

Номінальний струм заряду акумуляторної батареї, по

відношенню до її ємності

Q, обирають в околі:

View this question

Які значення приймає коефіцієнт корисної дії джерела електричної

енергії в режимі енергетичного узгодження?

View this question

Want instant access to all verified answers on vns.lpnu.ua?

Get Unlimited Answers To Exam Questions - Install Crowdly Extension Now!

Browser

Add to Chrome