logo

Crowdly

Browser

Add to Chrome

Автоматизація технологічних процесів [05346]

Looking for Автоматизація технологічних процесів [05346] test answers and solutions? Browse our comprehensive collection of verified answers for Автоматизація технологічних процесів [05346] at vns.lpnu.ua.

Get instant access to accurate answers and detailed explanations for your course questions. Our community-driven platform helps students succeed!

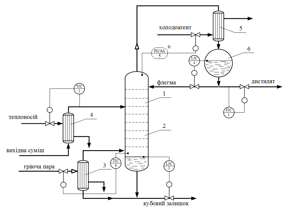
Який контур зображено на ФСА:

0%
0%
0%
0%
0%
View this question

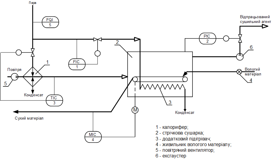
Який спосіб регулювання продуктивності відцентрового насосу зображено на приведеній нижче ФСА?

0%
0%
0%
0%
0%
View this question

Введення Д – складової в закон регулювання автоматичного регулятора витрати приведе:

View this question

Якому автоматичному регулятору відповідає дане позначення засобу автоматизації

0%
0%
0%
0%
0%
View this question

Який контур зображено на ФСА: 

0%
0%
0%
0%
View this question

Який контур зображено на ФСА:

0%
0%
0%
0%
0%
View this question

Якому автоматичному регулятору відповідає дане позначення засобу автоматизації:

View this question

Який спосіб регулювання продуктивності відцентрового насосу зображено на приведеній нижче ФСА?

View this question

Який контур зображено на ФСА:

View this question

Які характеристики об'єкта регулювання (ОР) рівня зображено на приведеному нижче рисунку, де: fi – витрата рідини на припливі; f0 - витрата рідини на стоці; L0 – початкове значення рівня в резервуарі; L1 – нове значення рівня в резервуарі; t - час

View this question

Want instant access to all verified answers on vns.lpnu.ua?

Get Unlimited Answers To Exam Questions - Install Crowdly Extension Now!

Browser

Add to Chrome