logo

Crowdly

Browser

Add to Chrome

Автоматизація технологічних процесів [05346]

Looking for Автоматизація технологічних процесів [05346] test answers and solutions? Browse our comprehensive collection of verified answers for Автоматизація технологічних процесів [05346] at vns.lpnu.ua.

Get instant access to accurate answers and detailed explanations for your course questions. Our community-driven platform helps students succeed!

Реактори періодичної дії

0%
0%
View this question

Реактори неперервної дії

View this question

Реактори за схемою руху потоків через реактор поділяють на:

View this question

Реактори, в яких відбувається часткове

тепловідведення або теплопідведення за допомогою теплообмінних елементів

відповідно до заданої програми зміни температури – це:

View this question

Реактори, що працюють без теплообміну через стінки реактора або

теплообмінні елементи, а теплота, яка виділяється (або поглинається) в

реакторі, акумулюється реакційною сумішшю – це:

0%
0%
0%
View this question

Реактори ідеального витіснення – це реактори:

View this question

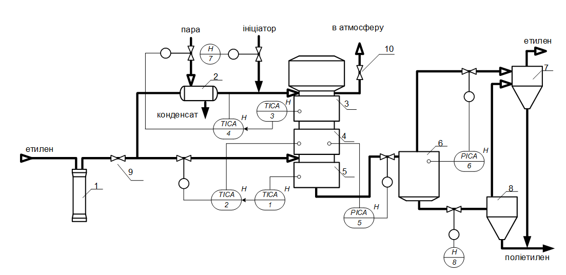
На приведеній

нижче схемі автоматизації зображено:

0%
0%
0%
0%
View this question

Реактори за структурою перемішування потоків у реакційній зоні поділяють

на:

View this question

Полімеризація - це процес утворення високомолекулярної речовини

(полімеру) шляхом з'єднання один з одним великого числа молекул вихідного

низькомолекулярної речовини (мономера)

100%
0%
View this question

Висококонцентрована парова фаза виводиться із нижньої частини ректифікаційної

колони

43%
57%
View this question

Want instant access to all verified answers on vns.lpnu.ua?

Get Unlimited Answers To Exam Questions - Install Crowdly Extension Now!

Browser

Add to Chrome