logo

Crowdly

Browser

Add to Chrome

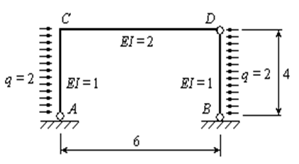
Будівельна механіка [02571]

Looking for Будівельна механіка [02571] test answers and solutions? Browse our comprehensive collection of verified answers for Будівельна механіка [02571] at vns.lpnu.ua.

Get instant access to accurate answers and detailed explanations for your course questions. Our community-driven platform helps students succeed!

 одиничний стан

Чому дорівнює наближення точок С і D від зсуву опор?

View this question

 одиничний стан

Який із станів може вважатися як допоміжний для обчислення взаємного повороту перерізів біля опор А і Б 

0%
0%
0%
0%
0%
View this question

ро

Який із приведених допоміжних станів є допоміжний для визначення взаємного наближення точок А і D?

View this question

ро

Чому дорівнює зміщення точки С у горизонтальному напрямі? (додатнім вважати зміщення вправо)

1. 10,7; 

2. 8,5;

3. 15,8;

4. -10,1;

5. 21,3.

View this question

ро

Чому дорівнює вертикальне переміщення точки С (додатнім вважати переміщення вниз)?

1. 100; 

2. 0;

3. 305,5;

4. 202,7;

5. -158,6.

View this question

ро

Чому дорівнює горизонтальне зміщення перерізу С ? (додатнім вважати зміщення вправо)

1. 101; 

2. 25;

3. -216;

4. -120;

5. -648.

View this question

ро

Чому дорівнює кут повороту перерізу біля точки С? (додатнім вважати поворот за напрямом руху годинникової стрілки)

1. 101; 

2. 25;

3. -216;

4. -120;

5. 36.

0%
0%
0%
0%
0%
View this question

ро

Чому дорівнює кут повороту перерізу ригеля біля шарніру С? (додатнім вважати поворот за напрямом руху годинникової стрілки)

1. 10,7; 

2. 3,5;

3. 0;

4. -10,1;

5. -5.

View this question

ро

Чому дорівнює кут повороту перерізу ригеля біля шарніру D? (додатнім вважати поворот за напрямом руху годинникової стрілки)

1. 10,7; 

2. 3,5;

3. 0;

4. -10,1;

5. -5.

View this question

ро

Чому дорівнює кут повороту перерізу стояка біля шарніру D? (додатнім вважати поворот за напрямом руху годинникової стрілки)

1. 10,7; 

2. 3,5;

3. 0;

4. -10,1;

5. -5.

View this question

Want instant access to all verified answers on vns.lpnu.ua?

Get Unlimited Answers To Exam Questions - Install Crowdly Extension Now!

Browser

Add to Chrome