logo

Crowdly

Browser

Add to Chrome

Будівельна механіка [02571]

Looking for Будівельна механіка [02571] test answers and solutions? Browse our comprehensive collection of verified answers for Будівельна механіка [02571] at vns.lpnu.ua.

Get instant access to accurate answers and detailed explanations for your course questions. Our community-driven platform helps students succeed!

ро

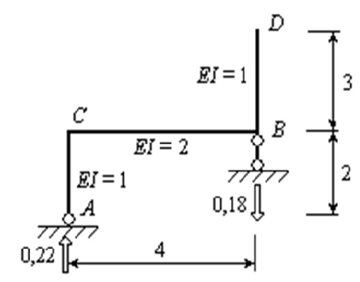
Чому кут повороту перерізу біля шарніру В? (додатнім вважати поворот за напрямом руху годинникової стрілки)

1. 10,7; 

2. 8,5;

3. 0;

4. -10,1;

5. -5.

View this question

ро

Чому дорівнює поворот перерізу біля шарніру В (додатнім вважати поворот за рухом годинникової стрілки)?

1. 16; 

2. 0;

3. -20;

4. 20;

5. -14.

0%
0%
0%
0%
0%
View this question

ро

Чому дорівнює поворот перерізу біля шарніру А (додатнім вважати поворот за рухом годинникової стрілки)?

1. 0; 

2. 11,5;

3. -20,5;

4. 53,3;

5. -65,4.

0%
0%
0%
0%
0%
View this question

ро

Чому кут повороту перерізу біля шарніру А? (додатнім поворот за напрямом руху годинникової стрілки)

1. 10,7; 

2. 8,5;

3. 5,6;

4. -10,1;

5. -5.

0%
0%
0%
0%
0%
View this question

ро

Чому горизонтальне зміщення точки С від зсуву опор? (додатнім вважати зміщення вправо)

1. 0,2; 

2. 0,03;

3. 0,45;

4. -0,1;

5. -0,03.

View this question

ро

Чому вертикальне зміщення точки С від зсуву опор? (додатнім вважати зміщення вниз)

1. 0,2; 

2. -0,35;

3. -0,45;

4. 1,5;

5. 0,18.

View this question

ро

Чому горизонтальне зміщення тоски В від зсуву опор? (додатнім вважати зміщення вправо)

1. 0,2; 

2. 1,25;

3. -0,4;

4. 2,5;

5. 0,18.

0%
0%
0%
0%
0%
View this question

ро

Чому горизонтальне зміщення тоски С від зсуву опор? (додатнім вважати зміщення вправо)

1. 0,2; 

2. 0;

3. -0,4;

4. 0,22;

5. 0,18.

View this question

ро

Чому дорівнює наближення точок С і D від зсуву опор?

1. 16; 

2. 0;

3. -20;

4. 20;

5. -14.

0%
0%
0%
0%
0%
View this question

 

рис5

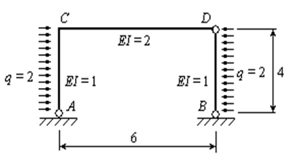
Чому дорівнює добуток представлених на рис. епюр?

View this question

Want instant access to all verified answers on vns.lpnu.ua?

Get Unlimited Answers To Exam Questions - Install Crowdly Extension Now!

Browser

Add to Chrome