logo

Crowdly

Browser

Add to Chrome

Цифрова схемотехніка в ІВТ [05210]

Looking for Цифрова схемотехніка в ІВТ [05210] test answers and solutions? Browse our comprehensive collection of verified answers for Цифрова схемотехніка в ІВТ [05210] at vns.lpnu.ua.

Get instant access to accurate answers and detailed explanations for your course questions. Our community-driven platform helps students succeed!

Якими схемотехнічні заходи слід вжити, щоб на основі RS-тригера побудувати лічильний T-тригер?

0%
0%
50%
View this question

для заданої таблиці істинності

  1. знайдіть вираз функції
  2. нарисуйте функційну схему відповідно до виразу
  3. перетворіть функцію у базисі NAND
  4. нарисуйте функційну схему у відповідно до перетвореного виразу

x1x2x3x4f
00001
00011

View this question

задані десяткові числа A=8 і B=3 перетворіть у двійкову форму і виконайте такі дії з ними:

  1.  A + B
  2.  A * 5
  3.  A / 2
  4.  від більшого відніміть менше в прямому коді
  5.  знайдіть різницю між більшим і меншим в доповняльному коді
  6.  знайдіть різницю між меншим і більшим в доповняльному коді

дії слід розписати, сам результат не зараховується

(відповіді написати на листку, сфотографувати і під'єднати файл зображення)

View this question

Спростіть логічний вираз

(відповідь записати на листку паперу, сфотографувати і приєднати файл відповіді)

View this question

Спростіть логічний вираз

(відповідь записати на листку паперу, сфотографувати і приєднати файл відповіді)

View this question

для заданої таблиці істинності

  1. знайдіть вираз функції
  2. нарисуйте функційну схему відповідно до виразу
  3. перетворіть функцію у базисі NOR
  4. нарисуйте функційну схему у відповідно до перетвореного виразу

x1x2x3x4f
01101
01110

View this question

задані десяткові числа A=12 і B=3 перетворіть у двійкову форму і виконайте такі дії з ними:

  1.  A + B
  2.  A * 5
  3.  A / 2
  4.  від більшого відніміть менше в прямому коді
  5.  знайдіть різницю між більшим і меншим в доповняльному коді
  6.  знайдіть різницю між меншим і більшим в доповняльному коді

дії слід розписати, сам результат не зараховується

(відповіді написати на листку, сфотографувати і під'єднати файл зображення)

View this question

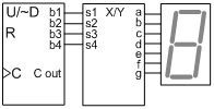
На входи реверсивного лічильник

а подаються

вказані послідовності імпульсів. Яка шістнадцяткова цифра буде засвічена на

семисегментному індикаторі після останнього такту синхроімпульсів?

View this question

На входи реверсивного лічильник

а подаються

вказані послідовності імпульсів. Яка шістнадцяткова цифра буде засвічена на

семисегментному індикаторі після останнього такту синхроімпульсів?

View this question

На входи реверсивного лічильник

а подаються

вказані послідовності імпульсів. Яка шістнадцяткова цифра буде засвічена на

семисегментному індикаторі після останнього такту синхроімпульсів?

View this question

Want instant access to all verified answers on vns.lpnu.ua?

Get Unlimited Answers To Exam Questions - Install Crowdly Extension Now!

Browser

Add to Chrome