logo

Crowdly

Browser

Add to Chrome

Цифрова схемотехніка в ІВТ [05210]

Looking for Цифрова схемотехніка в ІВТ [05210] test answers and solutions? Browse our comprehensive collection of verified answers for Цифрова схемотехніка в ІВТ [05210] at vns.lpnu.ua.

Get instant access to accurate answers and detailed explanations for your course questions. Our community-driven platform helps students succeed!

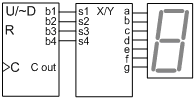
На входи реверсивного лічильник

а подаються

вказані послідовності імпульсів. Яка шістнадцяткова цифра буде засвічена на

семисегментному індикаторі після останнього такту синхроімпульсів?

View this question

Перетворіть десяткове число 130 у його шістнадцятковий еквівалент (результат записати у форматі мови C, напр. 0x00)

View this question

На входи реверсивного лічильник

а подаються

вказані послідовності імпульсів. Яка шістнадцяткова цифра буде засвічена на

семисегментному індикаторі після останнього такту синхроімпульсів?

схема лічильника

View this question

Перетворіть десяткове число 224 у його шістнадцятковий еквівалент (результат записати у форматі мови C, напр. 0x00)

View this question

Перетворіть десяткове число 66 у його двійковий еквівалент (відповідь записати вісьмома бітами)

View this question

На входи реверсивного лічильник

а подаються

вказані послідовності імпульсів. Яка шістнадцяткова цифра буде засвічена на

семисегментному індикаторі після останнього такту синхроімпульсів?

View this question

яке шістнадцятковe число слід додати до числа 19h, щоб у результаті вийшло число, десятковий еквівалент якого дорівнює 75 (результат подати без символу "h")

View this question

Перетворіть десяткове число 130 у його двійковий еквівалент (відповідь записати вісьмома бітами)

View this question

На входи реверсивного лічильник

а подаються

вказані послідовності імпульсів. Яка шістнадцяткова цифра буде засвічена на

семисегментному індикаторі після останнього такту синхроімпульсів?

View this question

яке шістнадцятковe число слід додати до числа 19h, щоб у результаті вийшло число, десятковий еквівалент якого дорівнює 125 (результат подати без символу "h")

View this question

Want instant access to all verified answers on vns.lpnu.ua?

Get Unlimited Answers To Exam Questions - Install Crowdly Extension Now!

Browser

Add to Chrome