logo

Crowdly

Browser

Add to Chrome

Схемотехніка пристроїв технічного захисту інформації [03752]

Looking for Схемотехніка пристроїв технічного захисту інформації [03752] test answers and solutions? Browse our comprehensive collection of verified answers for Схемотехніка пристроїв технічного захисту інформації [03752] at vns.lpnu.ua.

Get instant access to accurate answers and detailed explanations for your course questions. Our community-driven platform helps students succeed!

У якій із схем однофазних випрямлячів змінної напруги краще використовуються обмотки трансформатора за струмом?
50%
0%
0%
View this question

У кремнієвих діодів у порівнянні з германієвими струм насичення є

View this question

Для того, щоб зворотна напруга не перевищувала допустиму діоди з’єднують

View this question

Порогова напруга германієвого діода становить

0%
100%
0%
View this question

Як змінюється опір діода при збільшенні зворотної напруги?

0%
100%
0%
View this question

Діоди, у яких лінійні розміри, що визначають площу n-р-переходу, такі ж, як товщина переходу, або менші за неї називаються

View this question

В основі якого виду пробою р-п-переходу лежить явище розмноження носіїв заряду в сильному електричному полі

0%
0%
0%
View this question

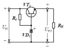
Визначити коефіцієнт стабілізації

транзисторного

стабілізатора постійної  напруги, поданого на рисунку.  Дано: α=0,95;

rБ=100 Ом; rK=10 кОм; rд=20 Ом; δн=0,2; ІН=50 мА.

View this question

Як впливає збільшення концентрації домішок у р- і п-ділянках р-п-переходу на величину контактної різниці потенціалів?

View this question

Порогова напруга кремнієвого діода становить

0%
0%
0%
View this question

Want instant access to all verified answers on vns.lpnu.ua?

Get Unlimited Answers To Exam Questions - Install Crowdly Extension Now!

Browser

Add to Chrome