logo

Crowdly

Browser

Add to Chrome

Схемотехніка пристроїв технічного захисту інформації [03752]

Looking for Схемотехніка пристроїв технічного захисту інформації [03752] test answers and solutions? Browse our comprehensive collection of verified answers for Схемотехніка пристроїв технічного захисту інформації [03752] at vns.lpnu.ua.

Get instant access to accurate answers and detailed explanations for your course questions. Our community-driven platform helps students succeed!

Для схеми, поданої на рисунку,

визначити вхідний опір. Дано:

Rвх.д

=200

кОм;

RвихОП=200 Ом, KU0=104

,

R1=1 кОм, Rзз=99 кОм.

Відповідь

надати у вигляді числа

від 1 до 999

і одиницями

вимірювання з відповідними приставками кратності або частинності

View this question

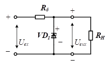
Визначити амплітуду струму Іm

у колі однопівперіодного

випрямляча з навантажувальним резистором RН =980 Ом, якщо опір діода, увімкненого у прямому напрямку, Rд

=20 Ом, на первинну обмотку

трансформатора подається напруга Um

=15

В, а коефіцієнт трансформації

трансформатора nтр=0,1. 

Відповідь надати у вигляді числа від 1 до 999 і

одиницями вимірювання з відповідними приставками кратності або частинності

View this question

Знайти коефіцієнт фільтрації Г-подібного LC

-фільтра, який під’єднаний на виході мостового однофазного

випрямляча, якщо Lф=

0,21

Гн,

Сф=500 мкФ, f=50 Гц.

View this question

Для стабілізатора напруги, поданого на рисунку, розрахувати коефіцієнт

стабілізації. Дано:

Uвх=20 В; RН

=2

кОм;

Uст=10 В; Іст=5 мА,
rд=10 Ом.

View this question

Для наведеної схеми підсилювального

каскаду розрахувати вхідний опір. Дано:

RЕ=4 кОм, RН=4 кОм, R1=8,2 кОм,  R2=21 кОм, Rг=1 кОм, β=100, h11Е=500 Ом, h22Е=330 мкСм, h12Е=5×10-4

Відповідь

надати у вигляді числа

від

1 до 999

і одиницями вимірювання з відповідними

приставками кратності або частинності

View this question

Для наведеної схеми підсилювального каскаду розрахувати коефіцієнт

підсилення за напругою. Дано:

Uвідс

2

В, 

Smax=10 мА/В, RВ=1 кОм, RС=2 кОм, RН=5 кОм, rСВ=100 кОм, якщо UЗВ= –0,6 В.

View this question

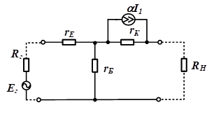
В еквівалентній схемі заміщення, поданій на рисунку,  біполярний транзистор

має наступні значення власних параметрів:

rБ

=500

Ом,

rЕ=45 Ом, rK

=1

МОм і a=0,97. Опір

резистора навантаження RН

=2 кОм, внутрішній опір

джерела сигналу

Rг

=500 Ом.

Визначити

коефіцієнт підсилення за струмом цього транзистора.

View this question

Want instant access to all verified answers on vns.lpnu.ua?

Get Unlimited Answers To Exam Questions - Install Crowdly Extension Now!

Browser

Add to Chrome