logo

Crowdly

Browser

Add to Chrome

Схемотехніка пристроїв технічного захисту інформації [03752]

Looking for Схемотехніка пристроїв технічного захисту інформації [03752] test answers and solutions? Browse our comprehensive collection of verified answers for Схемотехніка пристроїв технічного захисту інформації [03752] at vns.lpnu.ua.

Get instant access to accurate answers and detailed explanations for your course questions. Our community-driven platform helps students succeed!

Максимально допустима зворотна напруга високочастотних діодів у порівнянні з випрямними є

0%
0%
0%
View this question

Як змінюється бар’єрна ємність р-п-переходу зі збільшенням зворотної напруги?

0%
0%
0%
View this question

Як називається ділянка р-п-переходу з більшою концентрацією домішок?

0%
0%
0%
View this question

Для схеми, поданої на рисунку,

визначити, яку вхідну напругу потрібно подати для отримання

Uвих=0,5 В. Дано:, R1=6 кОм, R2=54 кОм.

Відповідь

надати у вигляді числа від 1 до 999 і одиницями вимірювання з

відповідними приставками кратності або частинності

View this question
Який вид зворотного зв’язку використовується в інвертувальному підсилювачі на ОП?
0%
0%
0%
0%
View this question

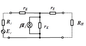
В еквівалентній схемі

заміщення, поданій на рисунку,  

біполярний транзистор

має наступні

значення власних параметрів:

rБ

=200

Ом,

rЕ=50 Ом, rK

=500

кОм і

α

=0,975. Опір

резистора навантаження RН

=5

кОм, внутрішній опір джерела сигналу

Rг

=10

Ом. Визначити вхідний опір підсилювального каскаду.

Відповідь

надати у вигляді числа від 1 до 999 і одиницями вимірювання з відповідними приставками

кратності або частинності

View this question
Які стабілізатори постійної напруги мають найвищий коефіцієнт стабілізації?
0%
0%
0%
0%
View this question
Яким елементом забезпечується додатний зворотний зв’язок в автогенераторі з трансформаторним зв’язком?
0%
0%
0%
0%
View this question
Чому резонансні підсилювачі не реалізовуються зазвичай для роботи на низьких частотах?
0%
0%
0%
0%
View this question
Який вид зворотного зв’язку утворює Т-подібний міст у смугопропускальному активному фільтрі на його основі?
0%
0%
33%
View this question

Want instant access to all verified answers on vns.lpnu.ua?

Get Unlimited Answers To Exam Questions - Install Crowdly Extension Now!

Browser

Add to Chrome