logo

Crowdly

Browser

Add to Chrome

Теорія автоматичного керування [02561]

Looking for Теорія автоматичного керування [02561] test answers and solutions? Browse our comprehensive collection of verified answers for Теорія автоматичного керування [02561] at vns.lpnu.ua.

Get instant access to accurate answers and detailed explanations for your course questions. Our community-driven platform helps students succeed!

Як називається система автоматичного регулювання (в залежності від принципу регулювання), яка наведена на рисунку?

0%
0%
0%
0%
View this question
Методом розширених частотних характеристик (m=0,5) розрахувати параметр настроювання П-регулятора, якщо функція передачі об’єкта регулювання W(p)=(5p+1)-4/49 (Розширена АЧХ аперіодичної ланки першого порядку визначається за формулою, розширена ФЧХ )
0%
0%
100%
0%
0%
View this question
Як зміниться якість САР із статичним ОР, якщо параметри ПІ-регулятора зміняться вздовж границі області запасу стійкості від вказаної точки до екстремальної точки на рисунку?

0%
0%
100%
0%
0%
View this question
Як зміниться якість САР, якщо параметри ПІ-регулятора зміняться вздовж границі області запасу стійкості від вказаної точки вправо?

0%
100%
0%
0%
0%
View this question
Як зміниться якість САР із статичним ОР, якщо параметри ПІ-регулятора зміняться вздовж границі області запасу стійкості від екстремальної точки до вказаної точки на рисунку?

0%
0%
100%
0%
0%
View this question
За якою формулою визначається А(ω) системи з вихідним сигналом x(t), якщо на вхід системи діє випадковий процес хзад(t) ?

0%
0%
100%
0%
0%
View this question
За якою формулою визначається дисперсія похибки регулювання Δx(t) системи регулювання, якщо на вхід системи діє випадковий процес z(t), a хзад(t)=0 ?

0%
0%
0%
0%
100%
View this question
Якою є функція передачі АР, показаного на рисунку? (прийняти е-рτ ≈1-рτ)

View this question
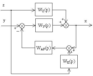
Яка функція передачі компенсатора Wk(p) забезпечить інваріантність САР, схема якої показана на рисунку, якщо функція передачі OP за збуренням Wz(p)=1/(25p+1), за регулюючою дією Wy(p)=0.1/p і регулятора WAP(p)=2(1+1/25p)

View this question
Яка функція передачі компенсатора Wk(p) забезпечить інваріантність САР, схема якої показана на рисунку, якщо функція передачі OP за збуренням Wz(p)= 0.1/p, за регулюючою дією Wy(p)=1/(25p+1) і регулятора WAP(p)= 1+1/10p?

View this question

Want instant access to all verified answers on vns.lpnu.ua?

Get Unlimited Answers To Exam Questions - Install Crowdly Extension Now!

Browser

Add to Chrome