logo

Crowdly

Browser

Add to Chrome

Теорія автоматичного керування [02561]

Looking for Теорія автоматичного керування [02561] test answers and solutions? Browse our comprehensive collection of verified answers for Теорія автоматичного керування [02561] at vns.lpnu.ua.

Get instant access to accurate answers and detailed explanations for your course questions. Our community-driven platform helps students succeed!

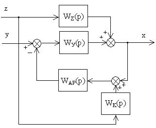
Яка функція передачі компенсатора Wk(p) забезпечить інваріантність САР, схема якої показана на рисунку, якщо функція передачі OP за збуренням Wz(p)=1/(25p+1), за регулюючою дією Wy(p)=0.1/p і регулятора WAP(p)=2(1+1/10p)?

View this question
Структурна схема якого регулятора показана на рисунку (прийняти е-рτ ≈1-рτ)?

View this question
Яка коректуюча ланка Wk(p) застосована в САР, що показана на рисунку?

View this question
Методом розширених частотних характеристик (m=0,5) розрахувати параметр настроювання П-регулятора, якщо функція передачі об’єкта регулювання W(p)=(5p+1)-4/49 (Розширена АЧХ аперіодичної ланки першого порядку визначається за формулою, розширена ФЧХ )
0%
0%
0%
0%
100%
View this question
Методом розширених частотних характеристик (m=0,75) розрахувати (з точністю до одиниці) параметр настроювання П-регулятора, якщо функція передачі об’єкта регулювання W(p)=0,01/(20p+1)4, (Розширена АЧХ аперіодичної ланки першого порядку визначається за формулою , розширена ФЧХ  )
0%
100%
0%
0%
0%
View this question
Як зміниться якість САР, якщо параметри ПІ-регулятора зміняться вздовж границі області запасу стійкості від вказаної точки вправо?

0%
100%
0%
0%
0%
View this question
Як зміниться якість САР із статичним ОР, якщо параметри ПІ-регулятора зміняться вздовж границі області запасу стійкості від вказаної точки до екстремальної точки на рисунку?

0%
0%
0%
0%
100%
View this question
Яка програма в середовищі Matlab призначена для побудови імпульсної перехідної функції замкнутої САР при зміні заданого значення? Функція передачі об’єкта регулювання ,  регулятора WАР(p)=2.
0%
100%
0%
0%
0%
View this question
Якому регулятору відповідає структурна схема, показана на рисунку?

View this question
Який регулятор має перехідну характеристику, що показана на рисунку?

View this question

Want instant access to all verified answers on vns.lpnu.ua?

Get Unlimited Answers To Exam Questions - Install Crowdly Extension Now!

Browser

Add to Chrome