logo

Crowdly

Browser

Add to Chrome

Теорія автоматичного керування [02561]

Looking for Теорія автоматичного керування [02561] test answers and solutions? Browse our comprehensive collection of verified answers for Теорія автоматичного керування [02561] at vns.lpnu.ua.

Get instant access to accurate answers and detailed explanations for your course questions. Our community-driven platform helps students succeed!

Назвіть характеристику автоматичного регулятора, зображену на рисунку.

0%
0%
0%
0%
View this question

Графік якого регулярного сигналу зображено на рисунку?

View this question
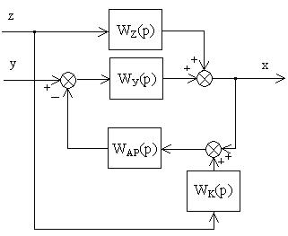
Яка функція передачі компенсатора Wk(p) забезпечить інваріантність САР, схема якої показана на рисунку, якщо функція передачі OP за збуренням Wz(p)= 0.1/p, за регулюючою дією Wy(p)=1/(25p+1) і регулятора WAP(p)= 1+1/10p?

0%
0%
0%
0%
View this question
Який регулятор має перехідну характеристику, що показана на рисунку?

View this question
Яка функція передачі компенсатора Wk(p) забезпечить інваріантність САР, схема якої показана на рисунку, якщо функція передачі OP за збуренням Wz(p)=1/(25p+1), за регулюючою дією Wy(p)=0.1/p і регулятора WAP(p)=1+1/(25p)?

0%
0%
0%
0%
View this question

Як називається система автоматичного регулювання (в залежності від принципу регулювання), яка наведена на рисунку?

0%
0%
0%
0%
View this question
Назвіть характеристику автоматичного регулятора, зображену на рисунку.

View this question
Яка функція передачі компенсатора Wk(p) забезпечить інваріантність САР, схема якої показана на рисунку, якщо функція передачі OP за збуренням Wz(p)= 0.1/p, за регулюючою дією Wy(p)=1/(25p+1) і регулятора WAP(p)= 1+1/10p?

View this question
Якому регулятору відповідає структурна схема, показана на рисунку?

View this question
Яка функція передачі компенсатора Wk(p) забезпечить інваріантність САР, схема якої показана на рисунку, якщо функціяпередачі OP за збуренням Wz(p)=4/(25p+1), за регулюючою дією Wy(p)=0.01/p і регулятора WAP(p)=2(1+1/25p)?

View this question

Want instant access to all verified answers on vns.lpnu.ua?

Get Unlimited Answers To Exam Questions - Install Crowdly Extension Now!

Browser

Add to Chrome