logo

Crowdly

Browser

Add to Chrome

Теорія автоматичного керування [02561]

Looking for Теорія автоматичного керування [02561] test answers and solutions? Browse our comprehensive collection of verified answers for Теорія автоматичного керування [02561] at vns.lpnu.ua.

Get instant access to accurate answers and detailed explanations for your course questions. Our community-driven platform helps students succeed!

Імпульсна перехідна характеристика елемента описується рівнянням  . Якою є функція передачі елемента?
View this question
Статична модель першого з двох послідовно з’єднаних елементів описується рівнянням . Якою має бути модель другого елемента, щоб статична модель цілого з’єднання описувалась рівнянням ?
View this question
Статична модель першого з двох паралельно з’єднаних елементів описується рівнянням . Якою має бути модель другого елемента, щоб статична модель цілого з’єднання описувалась рівнянням?
View this question
Якою буде модель зустрічно-паралельного з’єднання лінійного елемента з коефіцієнтом передачі k у прямому зв’язку і нелінійного елемента зі статичною моделлю  у від’ємному зворотному зв’язку, за умови, що k>>1?
View this question
Якою буде модель зустрічно-паралельного з’єднання лінійного елемента з коефіцієнтом передачі k у прямому зв’язку і нелінійного елемента зі статичною моделлю  у від’ємному зворотному зв’язку, за умови, що k>>1?
View this question

Графік якого регулярного сигналу зображено на рисунку?

View this question
Як називається реакція лінійного елемента на стрибкоподібну зміну вхідної величини, що має довільне (неодиничне) значення?
View this question
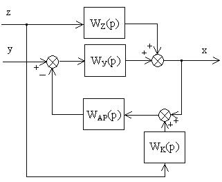
Яка функція передачі компенсатора Wk(p) забезпечить інваріантність САР, схема якої показана на рисунку, якщо функціяпередачі OP за збуренням Wz(p)=0,1/p, за регулюючою дією Wy(p)= 4/(100p+1) і регулятора WAP(p)=2(1+1/25p)?

0%
0%
0%
0%
View this question
Яка функція передачі компенсатора Wk(p) забезпечить інваріантність САР, схема якої показана на рисунку, якщо функція передачі OP за збуренням Wz(p)= 0.1/p, за регулюючою дією Wy(p)=1/(25p+1) і регулятора WAP(p)= 1+1/10p?

View this question
Яка функція передачі компенсатора Wk(p) забезпечить інваріантність САР, схема якої показана на рисунку, якщо функція передачі OP за збуренням Wz(p)= 0.1/p, за регулюючою дією Wy(p)=1/(25p+1) і регулятора WAP(p)= 1+1/10p?

0%
0%
0%
0%
View this question

Want instant access to all verified answers on vns.lpnu.ua?

Get Unlimited Answers To Exam Questions - Install Crowdly Extension Now!

Browser

Add to Chrome