logo

Crowdly

Browser

Add to Chrome

Dynamique des mécanismes (semestre JAUNE)

Looking for Dynamique des mécanismes (semestre JAUNE) test answers and solutions? Browse our comprehensive collection of verified answers for Dynamique des mécanismes (semestre JAUNE) at www.moodle.ens2m.fr.

Get instant access to accurate answers and detailed explanations for your course questions. Our community-driven platform helps students succeed!

On considère le solide 0 représenté ci-dessous appartenant à un mécanisme. Ce solide a 3 liaisons avec les autres solides du mécanisme :

  • liaison 0 - 1 : pivot
  • liaison 0 - 2 : contact ponctuel + non-glissement (engrenage intérieur)
  • liaison 0 - 4 : pivot glissant

Les liaisons 0 - 1 et 0 - 4 sont orthogonales (non sécantes). La roue dentée est perpendiculaire à la liaison 0 - 1 et son centre est sur l'axe de la liaison.

Lors du repérage du solide 0, les points qui doivent être définis sont :

0%
0%
0%
0%
0%
0%
0%
0%
View this question

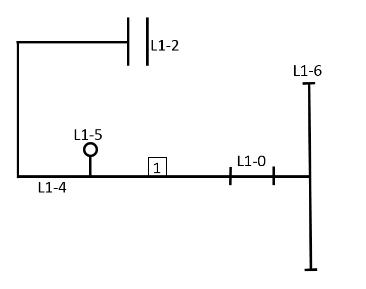
On considère le solide 1 représenté ci-dessous appartenant à un mécanisme. Ce solide a 5 liaisons avec les autres solides du mécanisme :

  • liaison 1 - 0 : pivot
  • liaison 1 - 2 : pivot
  • liaison 1 - 4 : glissière
  • liaison 1 - 5 : pivot
  • liaison 1 - 6 : contact ponctuel + non-glissement (engrenage extérieur)

Lors du repérage, combien de repères liés au solide 1 doit-on définir ?

0%
0%
0%
0%
View this question

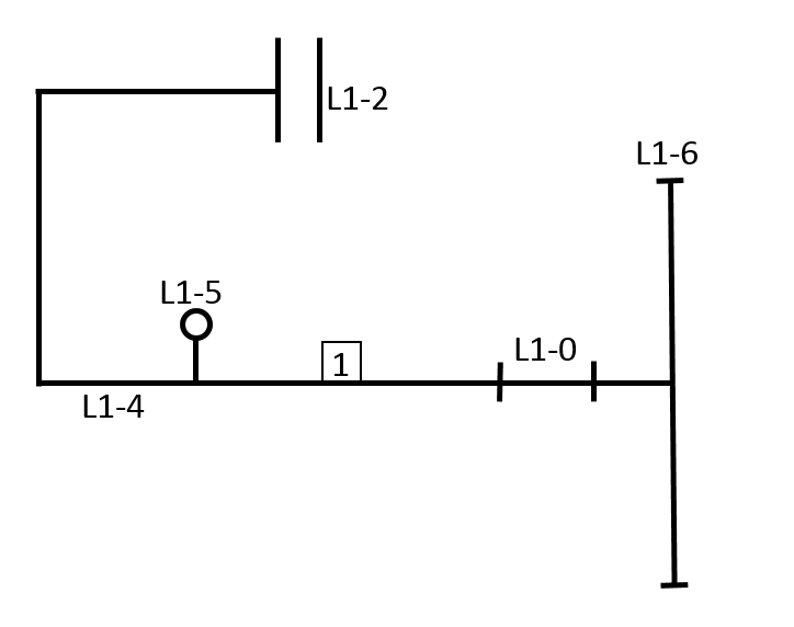
On considère le solide 1 représenté ci-dessous appartenant à un mécanisme. Ce solide a 5 liaisons avec les autres solides du mécanisme :

  • liaison 1 - 0 : pivot

  • liaison 1 - 2 : pivot
  • liaison 1 - 4 : glissière
  • liaison 1 - 5 : pivot
  • liaison 1 - 6 : contact ponctuel + non-glissement (engrenage extérieur)

Le solide 1 possède :

View this question

Want instant access to all verified answers on www.moodle.ens2m.fr?

Get Unlimited Answers To Exam Questions - Install Crowdly Extension Now!

Browser

Add to Chrome