logo

Crowdly

Browser

Add to Chrome

04-ETTI-L-A3-S1: LABORATOR IEM (Toate seriile - 2025)

Looking for 04-ETTI-L-A3-S1: LABORATOR IEM (Toate seriile - 2025) test answers and solutions? Browse our comprehensive collection of verified answers for 04-ETTI-L-A3-S1: LABORATOR IEM (Toate seriile - 2025) at curs.upb.ro.

Get instant access to accurate answers and detailed explanations for your course questions. Our community-driven platform helps students succeed!

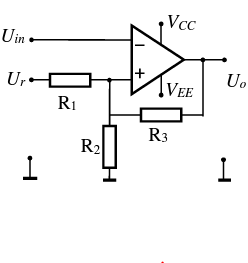
Se considera comparatorul cu histerezis din figura, in care AO este ideal, pentru care     = 2 V,     = 5 V ,    = 6 V si componentele   3 k ,   = 0.75 k . Determinați pragul    al comparatorului din figura , pragul pentru tranzitia  Low -> High ->  (  ->  la ieșire)

Observație: Să se exprime rezultatul  cu două zecimale nenule.

View this question

O tensiune continuă de valoare 4 V

se

aplică unui lanț cu un convertor

U-f  urmat de un convertor convertor f -U cu constantele de conversie KU-f = 3700 Hz/V si K f-U.= 3.8 V/kHz. Să se determine tensiunea de la ieșirea lanțului de conversie.

View this question

Dacă  = 4.2 V,  = 0.8 V,  = 0 V, SlewRate(SR) = 1.6  iar  /2, determinați frecvența maxima a semnalului de la ieșirea comparatorului, dacă se impune ca timpul de creștere al semnalului dreptunghiular de la ieșire să fie mai mic decât o zecime din durata palierului semnalului (tc < 1/10  durata palier) .  Se presupune că factorul de umplere al semnalului dreptunghiular este 50%.

Observație 1: Să se exprime rezultatul în kHz.

Observație 2: Să se exprime rezultatul cu două zecimale.

View this question

Se utilizeaza un lant cu conversie U-f  cu   = 5 kHz/V si apoi conversie f-U (inversa) cu   = 0.2 mV/Hz. Cele doua convertoarea au "erori de calibrare": primul are eroare sistematica  ef-sist  =  3225  Hz  , iar al doilea eU-sist 

= -  0.258 V.  Daca valorile relative ale erorii aleatoare 

(eroarea ramasa dupa eliminarea erorii sistematice) -> pentru

convertorul U-f  este εUf-rand = 3.3 %, iar pentru convertorul f-U (invers) este εfU-rand = - 6.8 %  , determinati eroarea totala absoluta maxima de conversie pentru tensiunea de intrare 4.3 V.

Obs: Eroarea "fara semn" (abs()), iar pentru erorile aleatoare se aplica formula propagarii erorii! 

0%
0%
0%
0%
0%
0%
0%
100%
View this question

Se da un condensator, care are capacitatea modelului paralel Cp = 35 nF si capacitatea modelului serie Cs = 35.35 nF.

Sa se determine factorul de calitate al condensatorului.

View this question

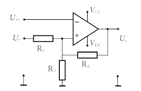
Pentru Ohmetrul activ din figura se cunosc:

= 19 V = 25  ; = 23 V.

Voltmetrul si amplificatorul operational se considera ideale. R1 este formată dintr-o rezistență fixă și un potențiometru pentru ajustarea scării Ohmetrului. Valoarea indicată mai sus se referă la rezistența totală a celor două.

Sa se determine tensiunea indicată de voltmetrul de la ieșire, dacă la ohmetru se conectează o rezistență   = 14

Observatie: Sa se exprime rezultatul in V. Se va introduce rezultatul fără semn.

View this question

Pentru Ohmetrul activ din figura se cunosc:

= 12 V;  = 5 V.

Voltmetrul si amplificatorul operational se considera ideale. Volrmetru este conectat astfel încît tensiunea indicată să fie pozitivă.

Scala Ohmetrului este de 15 . Să se determine valoarea rezistenței  dacă voltmetrul indică tensiunea 6 V.

Observatie: Sa se exprime rezultatul in .

View this question

Sa se determine factorul de calitate al unui bobine, care are Ls = 11 mH si Rs = 94 Ohm, la frecventa f=7 kHz.

View this question

Se dă un circuit rezonant RLC, care are L = 1 mH si C = 11 nF. Frecvențele la care tensiunea de pe condensator scade cu 3dB față de valoare maximă a tensiunii obținută la rezonanță sunt: f1= 13 kHz și f2=24kHz. Să se determine factorul de calitate al circuitului rezonant.

View this question

Pentru Ohmetrul activ din figura se cunosc:

= 13 V = 29  ; = 21 V.

Voltmetrul si amplificatorul operational se considera ideale. R1 este formată dintr-o rezistență fixă și un potențiometru pentru ajustarea scării Ohmetrului. Valoarea indicată mai sus se referă la rezistența totală a celor două.

Sa se determine tensiunea indicată de voltmetrul de la ieșire, dacă la ohmetru se conectează o rezistență   = 9

Observatie: Sa se exprime rezultatul in V. Se va introduce rezultatul fără semn.

View this question

Want instant access to all verified answers on curs.upb.ro?

Get Unlimited Answers To Exam Questions - Install Crowdly Extension Now!

Browser

Add to Chrome