logo

Crowdly

Browser

Add to Chrome

met1301s25-meta.sg

Looking for met1301s25-meta.sg test answers and solutions? Browse our comprehensive collection of verified answers for met1301s25-meta.sg at distance3.sg.digipen.edu.

Get instant access to accurate answers and detailed explanations for your course questions. Our community-driven platform helps students succeed!

A counter's schematic is shown in the figure below. Which one of the following is correct?

Q6_counter_0-6_up

0%
0%
0%
0%
0%
0%
0%
0%
0%
0%
0%
0%
0%
0%
0%
0%
0%
0%
0%
0%
0%
0%
View this question

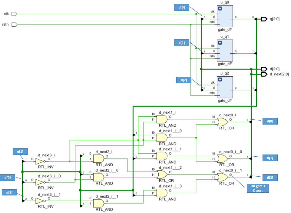
A counter circuit's schematic is shown in Figure below. Based on the q2, q1 and q0 (q2 is the MSB, and q0 is the LSB), which one of the followings is the counting sequence?

Q5_Q32

View this question

The counter shown in the Question 1 (a) is a:

View this question

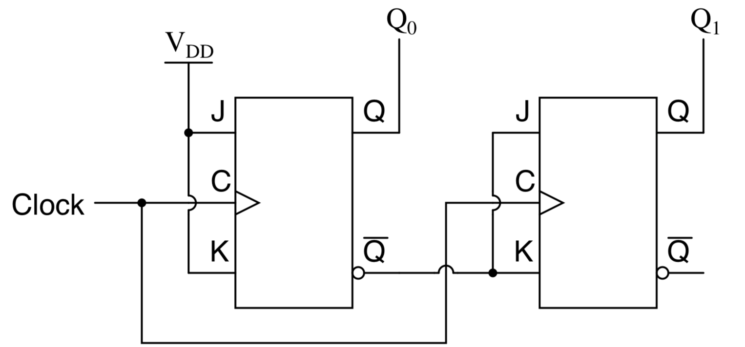
A counter circuit's schematic is shown in Figure below. The counter value is represented by the Q1 and Q0 signals, and Q0 is LSB.

Q5_Q3

Which one of the followings is correct:

0%
0%
0%
View this question

The counter shown in Question 2 (a) is a:

0%
0%
0%
View this question

A counter circuit's schematic is shown in Figure below. The counter value is represented by the MSB and the LSB signals.

Q5_Q1

Which one of the followings counting sequence is correct:

0%
0%
0%
0%
0%
View this question

Want instant access to all verified answers on distance3.sg.digipen.edu?

Get Unlimited Answers To Exam Questions - Install Crowdly Extension Now!

Browser

Add to Chrome