logo

Crowdly

Browser

Add to Chrome

Теорія електричних та магнітних кіл

Looking for Теорія електричних та магнітних кіл test answers and solutions? Browse our comprehensive collection of verified answers for Теорія електричних та магнітних кіл at distosvitart.gnomio.com.

Get instant access to accurate answers and detailed explanations for your course questions. Our community-driven platform helps students succeed!

Продовжить твердження: Резонансом напруг називається явище...

0%
0%
0%
0%
0%
View this question

В якому електричному колі може виникнути резонанс напруг?

0%
0%
0%
0%
View this question

Визначити, яким буде миттєве значення струму в колі, якщо ХС = 50Ом; u = 50 sint – π/2).

0%
0%
0%
0%
0%
View this question

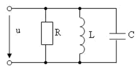
Визначте струм кола, якщо ХС = 4 Ом, R = 3 Ом, U = 60 В

0%
0%
0%
100%
0%
View this question

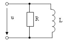
Виберіть формулу для розрахунку загального опору в колі з резистором та котушкою

0%
0%
0%
50%
View this question

Виберіть вірні твердження про кола з активним опором

View this question

Виберіть вірні твердження про кола з ідеальною ємністю

0%
0%
0%
View this question

В заданому колі u = 100sinωt,B; R=20 Ом. Виберіть рівняння струму в колі

0%
0%
0%
0%
0%
View this question

Виберіть вірні твердження про кола з ідеальною індуктивністю

0%
0%
50%
View this question

Максимальне значення струму за період - це...

0%
0%
0%
0%
0%
View this question

Want instant access to all verified answers on distosvitart.gnomio.com?

Get Unlimited Answers To Exam Questions - Install Crowdly Extension Now!

Browser

Add to Chrome