logo

Crowdly

Browser

Add to Chrome

Проєктування систем автоматизації

Looking for Проєктування систем автоматизації test answers and solutions? Browse our comprehensive collection of verified answers for Проєктування систем автоматизації at dl.stpp.sumy.ua.

Get instant access to accurate answers and detailed explanations for your course questions. Our community-driven platform helps students succeed!

Введіть літерне умовне позначення пристрою, що зображений на рисунку

View this question

Літерне умовне позначення приладу для контролю, реєстрації та регулювання вологості

View this question

Умовне позначення якого приладу наведено? 

0%
0%
0%
0%
0%
0%
View this question

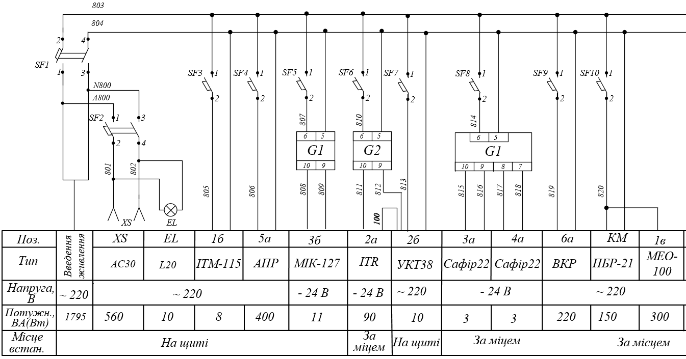
Номінальний струм вимикача SF4 становить ...... А

View this question

Літерне умовне позначення регулятора в`язкості

View this question

Введіть літерне позначення елементу електричної схеми (заголовні літери)

View this question

На схемі розподільної мережі показують

0%
0%
0%
0%
0%
0%
0%
0%
View this question

Встановіть відповідність маркування електричних кіл

View this question

Введіть літерне умовне позначення пристрою, що зображений на рисунку

View this question

Введіть літерне позначення елементу електричної схеми - сигнальна арматура (заголовні літери)

View this question

Want instant access to all verified answers on dl.stpp.sumy.ua?

Get Unlimited Answers To Exam Questions - Install Crowdly Extension Now!

Browser

Add to Chrome