logo

Crowdly

Browser

Add to Chrome

Проєктування систем автоматизації

Looking for Проєктування систем автоматизації test answers and solutions? Browse our comprehensive collection of verified answers for Проєктування систем автоматизації at dl.stpp.sumy.ua.

Get instant access to accurate answers and detailed explanations for your course questions. Our community-driven platform helps students succeed!

Введіть літерне умовне позначення пристрою, що зображений на рисунку

View this question

Стандартне пневматичне живлення дорівнює

0%
0%
View this question

Принципові схеми, які входять до проектів автоматизації, за технічними засобами поділяються на:

0%
0%
0%
0%
0%
0%
0%
View this question

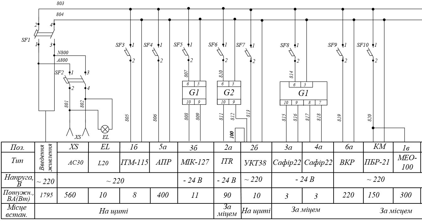
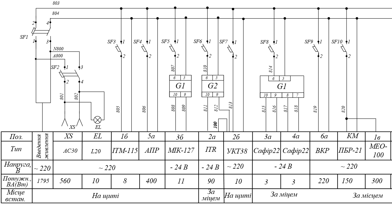
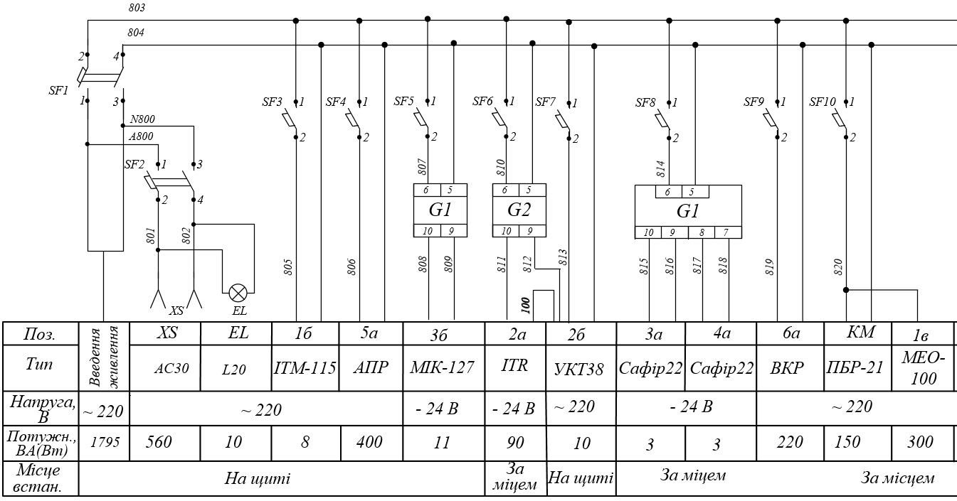
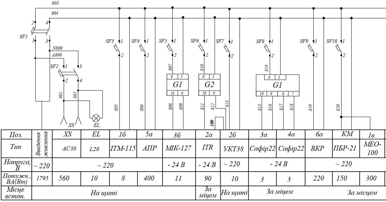
Номінальний струм вимикача SF9 становить ...... А

View this question

До схем програмного управління

View this question

Номінальний струм вимикача SF2 становить ...... А

View this question

На рисунку зображена

0%
0%
View this question

Номінальний струм вимикача SF3 становить ...... А

View this question

Номінальний струм вимикача SF6 становить ...... А

View this question

Номінальний струм вимикача SF4 становить ...... А

View this question

Want instant access to all verified answers on dl.stpp.sumy.ua?

Get Unlimited Answers To Exam Questions - Install Crowdly Extension Now!

Browser

Add to Chrome