logo

Crowdly

Browser

Add to Chrome

Проєктування систем автоматизації

Looking for Проєктування систем автоматизації test answers and solutions? Browse our comprehensive collection of verified answers for Проєктування систем автоматизації at dl.stpp.sumy.ua.

Get instant access to accurate answers and detailed explanations for your course questions. Our community-driven platform helps students succeed!

Принципові схеми, які входять до проектів автоматизації, за призначенням поділяються на:

0%
0%
0%
0%
0%
0%
0%
View this question

Введіть літерне позначення елементу електричної схеми (заголовні літери)

View this question

Введіть літерне умовне позначення пристрою, що зображений на рисунку

View this question

Введіть літерне позначення елементу електричної схеми (заголовні літери)

View this question

До якого типу  відноситься сигналізація, якщо оператор оповіщається про те, що в приміщенні виявлено задимленість

0%
0%
View this question

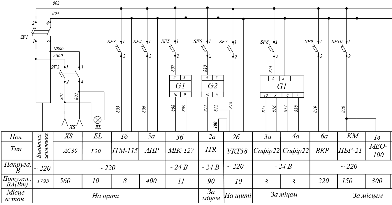
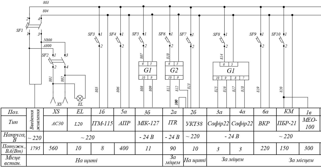
Номінальний струм вимикача SF2 становить ...... А

View this question

Номінальний струм вимикача SF5 становить ...... А

View this question

Введіть літерне умовне позначення пристрою, що зображений на рисунку

View this question

Введіть літерне позначення елементу електричної схеми - лампа освітлення (заголовні літери)

View this question

Введіть літерне умовне позначення пристрою, що зображений на рисунку

View this question

Want instant access to all verified answers on dl.stpp.sumy.ua?

Get Unlimited Answers To Exam Questions - Install Crowdly Extension Now!

Browser

Add to Chrome