logo

Crowdly

Browser

Add to Chrome

25/26-1-д-з-Інноваційні системи сигнального авторегулювання та безпілотні поїзди-Прилипко

Looking for 25/26-1-д-з-Інноваційні системи сигнального авторегулювання та безпілотні поїзди-Прилипко test answers and solutions? Browse our comprehensive collection of verified answers for 25/26-1-д-з-Інноваційні системи сигнального авторегулювання та безпілотні поїзди-Прилипко at do.kart.edu.ua.

Get instant access to accurate answers and detailed explanations for your course questions. Our community-driven platform helps students succeed!

Який елемент рейкового кола виділений на малюнку

View this question

Який елемент рейкового кола виділений на малюнку

View this question
Як на схемах позначаються ізолюючи стикі
View this question
За способом вмикання колійного реле рейкові кола (РК) класифікуються
View this question
Стикові з'єднувачі призначені для …
View this question
Які сигнальні показання має локомотивний світлофор? (укажіть невірну відповідь)
View this question

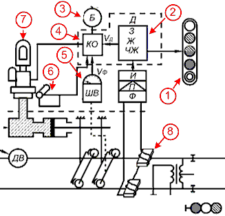
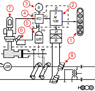
Який елемент структурної схеми АЛСБ (АЛСН) визначає припустиму швидкість руху поїзда?
View this question
Який елемент структурної схеми АЛСБ (АЛСН) визначає фактичну швидкість руху поїзда?
View this question

Який елемент структурної схеми АЛСБ (АЛСН) визначає фактичну швидкість руху поїзда?
View this question

Призначення виділеного елемента структурної схеми АЛСБ (АЛСН)
View this question

Want instant access to all verified answers on do.kart.edu.ua?

Get Unlimited Answers To Exam Questions - Install Crowdly Extension Now!

Browser

Add to Chrome