logo

Crowdly

Browser

Add to Chrome

25/26-1-д-з-Інноваційні системи сигнального авторегулювання та безпілотні поїзди-Прилипко

Looking for 25/26-1-д-з-Інноваційні системи сигнального авторегулювання та безпілотні поїзди-Прилипко test answers and solutions? Browse our comprehensive collection of verified answers for 25/26-1-д-з-Інноваційні системи сигнального авторегулювання та безпілотні поїзди-Прилипко at do.kart.edu.ua.

Get instant access to accurate answers and detailed explanations for your course questions. Our community-driven platform helps students succeed!

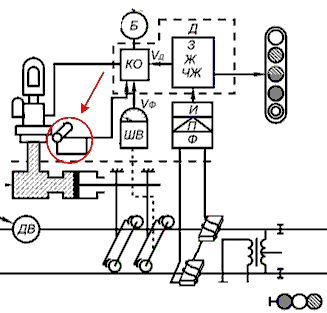
Який елемент структурної схеми АЛСБ (АЛСН) інформує машиніста про припустиму швидкість руху?
View this question
Яке сигнальне показання на наступному прохідному світлофорі?
View this question
При наближенні до колійного світлофора із зеленим вогнем на локомотивному світлофорі горить
View this question
При наближенні до світлофора із червоним вогнем на локомотивному світлофорі горить
View this question

При наближенні до даного світлофора на локомотивному світлофорі горить
View this question
Періодична перевірка пильності провадиться:
0%
0%
0%
View this question
Який елемент структурної схеми АЛСБ (АЛСН) відчиняє гальмову магістраль поїзда?
View this question

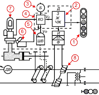
Призначення виділеного елемента структурної схеми АЛСБ (АЛСН)
View this question

Призначення виділеного елемента структурної схеми АЛСБ (АЛСН)
View this question

Призначення виділеного елемента структурної схеми АЛСБ (АЛСН)
0%
0%
0%
0%
0%
View this question

Want instant access to all verified answers on do.kart.edu.ua?

Get Unlimited Answers To Exam Questions - Install Crowdly Extension Now!

Browser

Add to Chrome