logo

Crowdly

Browser

Add to Chrome

25/26-1-д-з-Інноваційні системи сигнального авторегулювання та безпілотні поїзди-Прилипко

Looking for 25/26-1-д-з-Інноваційні системи сигнального авторегулювання та безпілотні поїзди-Прилипко test answers and solutions? Browse our comprehensive collection of verified answers for 25/26-1-д-з-Інноваційні системи сигнального авторегулювання та безпілотні поїзди-Прилипко at do.kart.edu.ua.

Get instant access to accurate answers and detailed explanations for your course questions. Our community-driven platform helps students succeed!

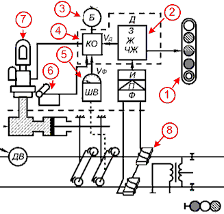
Який елемент структурної схеми АЛСБ (АЛСН) попереджає машиніста про необхідність підтвердити свою пильність?
View this question
Яке сигнальне показання на наступному прохідному світлофорі?
View this question
Коли на ЛС загоряється жовтий вогонь?
View this question
При наближенні до світлофора із зеленим вогнем на локомотивному світлофорі горить
View this question
Коли на ЛС загоряється білий вогонь?
View this question
При русі по некодуємой ділянці на локомотивному світлофорі горить
View this question

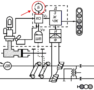
Призначення виділеного елемента структурної схеми АЛСБ (АЛСН)
View this question

Призначення виділеного елемента структурної схеми АЛСБ (АЛСН)
View this question

Який елемент структурної схеми АЛСБ (АЛСН) приймає кодові імпульси?
View this question
При проїзді колійного світлофора із червоним вогнем на локомотивному світлофорі горить
View this question

Want instant access to all verified answers on do.kart.edu.ua?

Get Unlimited Answers To Exam Questions - Install Crowdly Extension Now!

Browser

Add to Chrome