logo

Crowdly

Browser

Add to Chrome

Fonaments dels Computadors [MO74425]

Looking for Fonaments dels Computadors [MO74425] test answers and solutions? Browse our comprehensive collection of verified answers for Fonaments dels Computadors [MO74425] at e-aules.uab.cat.

Get instant access to accurate answers and detailed explanations for your course questions. Our community-driven platform helps students succeed!

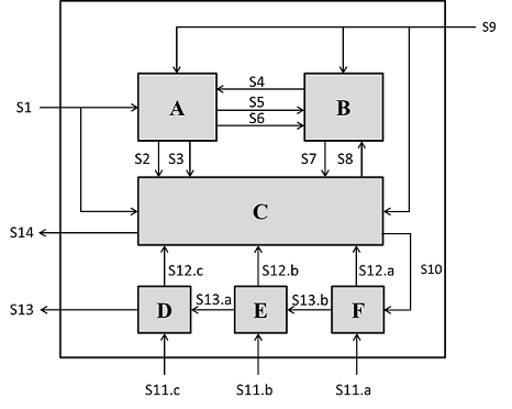
En la descripción estructural siguiente, indica qué bloques son sistemas digitales.

0%
0%
0%
View this question

Siguiendo con el ejercicio anterior, indica cuáles de las siguientes señales son señales digitales.

0%
0%
0%
0%
0%
0%
View this question

En una prueba de esfuerzo para deportistas de élite se utiliza un sistema físico para medir el rendimiento del individuo. Indica cuáles de estas señales son señales analógicas:

0%
0%
0%
0%
0%
0%
View this question

Marca cuál o cuáles de las afirmaciones siguientes son correctas:

0%
View this question

Marca cuál o cuáles de las afirmaciones siguientes son correctas:

View this question

Marca la o las afirmaciones correctas.

0%
0%
0%
0%
View this question

Marca qué igualdades son ciertas:

0%
0%
0%
0%
View this question

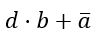
Simplifica la siguiente

función:

Escribe la respuesta

utilizando la notación BoolMin sin ningún espacio en blanco entre los símbolos.

Por ejemplo: si la

respuesta es 

  podrías escribir d&b+!a o bien

b&d+!a o bien !a+d&b o bien !a+b&d   (como ves el orden en el que aparecen los

literales no importa).

View this question

Los ejercicios 6 a 8 están relacionados entre sí y tienen como objetivo ilustrar como el álgebra de Boole nos permite obtener circuitos combinacionales más simples.

Dibuja sobre papel el circuito que implementa la expresión minimizada que has obtenido en el ejercicio anterior e indica el número de puertas AND, OR e INV necesarias (Nota: Puedes utilizar puertas AND y OR de cualquier número de entradas).

Escribe la respuesta como tres números enteros separados por un blanco, en el orden siguiente: número de puertas AND, número de puertas OR y número de inversores. Por ejemplo, si fuesen necesarias 4 puertas AND, 1 OR y 3 inversores, la respuesta debería ser 4 1 3

Observa como este circuito, equivalente al circuito de la pregunta 6, tiene un número de puertas menor.

View this question

Los ejercicios 6 a 8 están relacionados entre sí y tienen como objetivo ilustrar como el álgebra de Boole nos permite obtener circuitos combinacionales más simples.

Nota: Tendrás que utilizar VerilUOC_Desktop para responder a estos

ejercicios. Mira, si no lo has hecho todavía, los vídeos 1 y 2 de VerilUOC_Desktop antes de realizar estos ejercicios.

Minimiza la función booleana que implementa el circuito de la pregunta anterior en forma de suma de productos de literales.

INSTRUCCIONES PARA RESPONDER A ESTA CUESTIÓN:

1. En la máquina virtual abre VerilUOC_Desktop, haz clic en el menú "Simular"->"Verificación" y a continuación haz clic en BoolMin.

2. En "Módulo" selecciona "Ejercicios evaluables" y haz clic en el ejercicio 2.7.b. Introduce la expresión booleana minimizada en forma de suma de productos de literales.

3. BoolMin te devolverá un código de 4 letras mayúsculas que debes introducir en la caja de respuesta.

View this question

Want instant access to all verified answers on e-aules.uab.cat?

Get Unlimited Answers To Exam Questions - Install Crowdly Extension Now!

Browser

Add to Chrome