logo

Crowdly

Browser

Add to Chrome

Computer Organization (Sec. D) - Fall 2025

Looking for Computer Organization (Sec. D) - Fall 2025 test answers and solutions? Browse our comprehensive collection of verified answers for Computer Organization (Sec. D) - Fall 2025 at elearning.aua.am.

Get instant access to accurate answers and detailed explanations for your course questions. Our community-driven platform helps students succeed!

Assign common latency values to their corresponding memory types.

View this question

For the following truth table when the circuit is synthesized as Y=B'C+AB, the glitch might happen, when

0%
0%
0%
0%
View this question

If the Contamination Delay is not specified we can assume it's zero.

0%
0%
View this question

Determine the value of Q when S = 0, R = 0.

0%
0%
0%
0%
View this question

With help of K-Map approach simplify the following truth table.

Important Note:

Use following symbols:

1. ( ' ) for inversion,

2. plus symbol (+) for OR operation

3. no space between variables for AND operation. E.g. BD, AC.

Write the answer in alphabetical order. Don't put spaces between the terms or addition signs.

For Example: A'C+BD'  

View this question

Complete this time diagram and select the output of Q at the highlighted time moment.

0%
0%
View this question

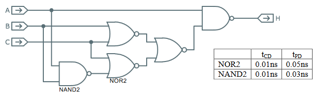
Use the timing specifications to compute the propagation delay (tPD).

View this question

Use the timing specifications to compute the propagation delay (tPD).

View this question

Parallelism cannot increase the throughput.

0%
100%
View this question

In case of spatial parallelism, task is broken into multiple stages.

0%
100%
View this question

Want instant access to all verified answers on elearning.aua.am?

Get Unlimited Answers To Exam Questions - Install Crowdly Extension Now!

Browser

Add to Chrome