logo

Crowdly

Browser

Add to Chrome

Computer Organization (Sec. D) - Fall 2025

Looking for Computer Organization (Sec. D) - Fall 2025 test answers and solutions? Browse our comprehensive collection of verified answers for Computer Organization (Sec. D) - Fall 2025 at elearning.aua.am.

Get instant access to accurate answers and detailed explanations for your course questions. Our community-driven platform helps students succeed!

In case of spatial parallelism, task is broken into multiple stages.

0%
100%
View this question

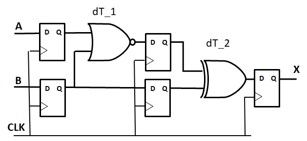
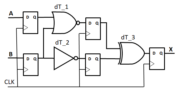
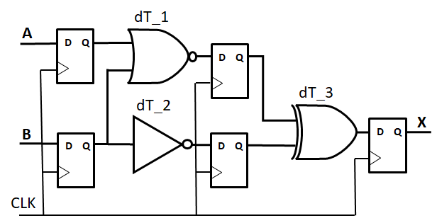
What is the minimal allowable period of the CLK signal if the delays of the logic circuits are following?

Assume 0ns delay for D Triggers in the circuit.

dT_1 = 2ns

dT_2 = 7ns

0%
0%
0%
0%
View this question

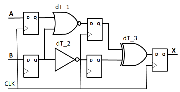
What is the minimal allowable period of the CLK signal if the delays of the logic circuits are following?

Assume 0ns delay for D Triggers in the circuit.

dT_1 = 2ns

dT_2 = 8ns

dT_3 = 8ns

View this question

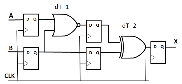
What is the maximal allowable frequency of the CLK signal if the delays of the logic circuits are following?

Assume 0ns delay for D Triggers in the circuit.

dT_1 = 2ns

dT_2 = 3ns

dT_3 = 4ns

View this question

What is the maximal allowable frequency of the CLK signal if the delays of the logic circuits are following?

Assume 0ns delay for D Triggers in the circuit.

dT_1 = 2ns

dT_2 = 5ns

View this question

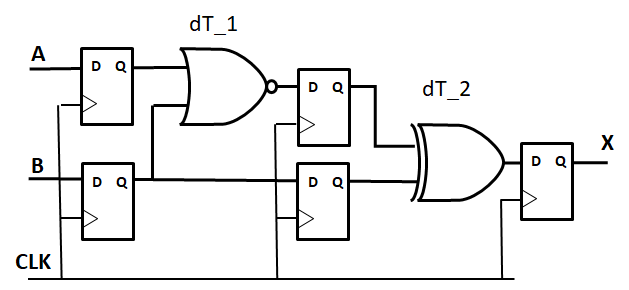
What is the total latency of the circuit, assuming that it is operating at maximum CLK frequency?

Delays of the logic circuits are presented below.

Assume 0ns delay for D Triggers in the circuit.

dT_1 = 4ns

dT_2 = 3ns

dT_3 = 2ns

View this question

What is the total latency of the circuit, assuming that it is operating at maximum CLK frequency?

Delays of the logic circuits are presented below.

Assume 0ns delay for D Triggers in the circuit.

dT_1 = 7ns

dT_2 = 3ns

View this question

Propagation Delay is

0%
0%
View this question

Based on the following K-maps, determine which one is a glitch-free MUX?

0%
0%
View this question

This graph shows

0%
0%
View this question

Want instant access to all verified answers on elearning.aua.am?

Get Unlimited Answers To Exam Questions - Install Crowdly Extension Now!

Browser

Add to Chrome