logo

Crowdly

Browser

Add to Chrome

Технічна термодинаміка

Looking for Технічна термодинаміка test answers and solutions? Browse our comprehensive collection of verified answers for Технічна термодинаміка at exam.nuwm.edu.ua.

Get instant access to accurate answers and detailed explanations for your course questions. Our community-driven platform helps students succeed!

На якому графіку в р-v координатах зображено паровий цикл Ренкіна?

View this question

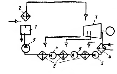
Яка позиція відповідає промисловому відбору пари на схемі найпростішої ТЕЦ з регульованим та нерегульованим відбором пари ?…

0%
0%
0%
0%
0%
View this question

Відношення електричної потужності турбіни до ефективної потужності турбіни, отримало назву…

View this question

Термічний коефіцієнт корисної дії комбінованого (бінарного) циклу порівняно із окремо взятими коефіцієнтами корисної дії парового та газового циклів дає економію палива до…

0%
0%
0%
0%
View this question

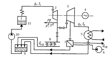
Яка позиція відповідає контактному конденсатору на схемі комбінованої парогазової турбінної установки з контактним конденсатором ?…

0%
0%
0%
0%
View this question

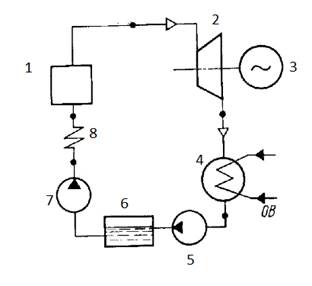
На рисунку зображена найпростіша схема паротурбінної установки з регенеративним підігрівом живильної води. Співставте цифри та обладнання, яке вони відображають

:

View this question

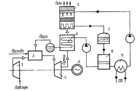
На рисунку зображено схему …

View this question

Характеристикою економічності холодильної машини є холодильний коефіцієнт, який можна визначити, як:

0%
0%
0%
0%
0%
View this question

В теоретичному циклі пароежекторної холодильної установки, який зображено в T-s координатах, площа якої фігури відповідає кількості теплоти, що підводиться до холодильного агенту в процесі його випаровування ?

0%
0%
0%
0%
View this question

Яка позиція відповідає водяному економайзеру на схемі паротурбінної установки, яка працює за циклом Ренкіна ?…

View this question

Want instant access to all verified answers on exam.nuwm.edu.ua?

Get Unlimited Answers To Exam Questions - Install Crowdly Extension Now!

Browser

Add to Chrome