logo

Crowdly

Browser

Add to Chrome

Технічна термодинаміка

Looking for Технічна термодинаміка test answers and solutions? Browse our comprehensive collection of verified answers for Технічна термодинаміка at exam.nuwm.edu.ua.

Get instant access to accurate answers and detailed explanations for your course questions. Our community-driven platform helps students succeed!

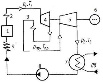
При якому значенні тиску перед паровою турбіною, термічний коефіцієнт корисної дії паросилової установки, яка працює по циклу Ренкіна на водяній парі, буде мати максимальне значення, якщо температура пари перед турбіною t1 = 400 oC, тиск пари в конденсаторі р2 = 0,2 бар ?

View this question

Яка позиція відповідає ежектору на схемі парової ежекторної холодильної установки ?…

View this question

Відношення індикаторної потужності турбіни до теоретичної потужності турбіни, отримало назву…

0%
0%
0%
0%
View this question

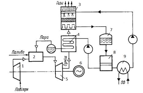
Яка позиція відповідає водяному економайзеру на схемі паросилової установки з проміжним перегрівом пари ?…

View this question

При якому значенні тиску в конденсаторі парової турбіни, термічний коефіцієнт корисної дії паросилової установки, яка працює по циклу Ренкіна на водяній парі, буде мати максимальне значення, якщо тиск перед турбіною р1 = 20 бар, температура t1 = 400 oC ?

View this question

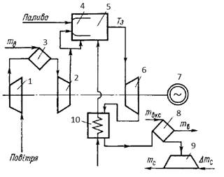
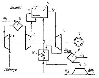
Яка позиція відповідає збірнику конденсату на схемі комбінованої парогазової турбінної установки з контактним конденсатором ?…

0%
0%
0%
0%
0%
View this question

Термічний коефіцієнт корисної дії циклу Ренкіна рівний (tв=0 оС)…

0%
0%
0%
0%
View this question

Яка позиція відповідає вихровому конденсатору-сепаратору на схемі комбінованої парогазової турбінної установки ?…

0%
0%
0%
0%
View this question

Яка позиція відповідає дросельному вентилю на схемі парової компресорної холодильної установки ?…

0%
0%
0%
0%
0%
View this question

Яка позиція відповідає компресору низького тиску на схемі комбінованої парогазової турбінної установки ?…

View this question

Want instant access to all verified answers on exam.nuwm.edu.ua?

Get Unlimited Answers To Exam Questions - Install Crowdly Extension Now!

Browser

Add to Chrome