logo

Crowdly

Browser

Add to Chrome

Технічна термодинаміка

Looking for Технічна термодинаміка test answers and solutions? Browse our comprehensive collection of verified answers for Технічна термодинаміка at exam.nuwm.edu.ua.

Get instant access to accurate answers and detailed explanations for your course questions. Our community-driven platform helps students succeed!

Абсолютний внутрішній коефіцієнт корисної дії парової турбіни можна визначити, як…

0%
0%
0%
0%
View this question

Коефіцієнт перетворення теплоти циклу теплового насоса рівний…

0%
0%
0%
0%
0%
View this question

Визначити термічний коефіцієнт корисної дії паросилової установки, яка працює по циклу Ренкіна на водяній парі, якщо тиск перед турбіною р1 = 60 бар, температура t1 = 450 oC, тиск в конденсаторі р2 = 0,04 бар.

0%
0%
0%
0%
0%
View this question

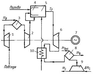
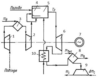
Яка позиція відповідає компресору високого тиску на схемі комбінованої парогазової турбінної установки ?…

0%
0%
0%
0%
0%
View this question

Яка позиція відповідає котлу-утилізатору на схемі комбінованої парогазової турбінної установки ?…

View this question

Який із зображених на діаграмі циклів є змішаним циклом неповного розширення ?

0%
0%
0%
0%
0%
View this question

Ідеальна індикаторна діаграма, якого циклу теплового двигуна зображено в координатах р-v та T-s ?

0%
0%
0%
0%
View this question

Для якої пари циклів, що зображені на діаграмі, виконується наступна умова ?

0%
0%
0%
0%
View this question

Які параметри входять у вираз термічного к.к.д. змішаного циклу неповного розширення?

50%
50%
View this question

Який із наведених виразів є структурною формулою термічного коефіцієнта корисної дії, зображеного на діаграмі циклу ?

0%
0%
0%
0%
View this question

Want instant access to all verified answers on exam.nuwm.edu.ua?

Get Unlimited Answers To Exam Questions - Install Crowdly Extension Now!

Browser

Add to Chrome