logo

Crowdly

Browser

Add to Chrome

Комп`ютерна логіка

Looking for Комп`ютерна логіка test answers and solutions? Browse our comprehensive collection of verified answers for Комп`ютерна логіка at exam.nuwm.edu.ua.

Get instant access to accurate answers and detailed explanations for your course questions. Our community-driven platform helps students succeed!

Логічний елемент, що реалізує функцію AND ‒ це:

0%
0%
0%
0%
0%
View this question

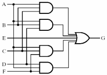
Що представлено на малюнку?

View this question

Закон поглинання змінних, представлений образними перетвореннями – це:

0%
0%
0%
0%
0%
View this question

У який стан переходить Т- тригер при подачі на його вхід другого тактового імпульсу?

0%
0%
0%
0%
View this question

Умовне графічне позначення на маклюнку – це:

0%
0%
0%
0%
View this question

Схема цифрового пристрою на малюнку – це:

View this question

Логічна схема, що реалізує диз’юнктивну нормальну форму функції – це:

0%
0%
0%
View this question

Схема цифрового пристрою на малюнку – це:

View this question

Умовно-графічне позначення цифрового пристрою на малюнку – це:

0%
0%
0%
0%
0%
View this question

Логічний елемент, що реалізує функцію NOT – це:

0%
0%
0%
View this question

Want instant access to all verified answers on exam.nuwm.edu.ua?

Get Unlimited Answers To Exam Questions - Install Crowdly Extension Now!

Browser

Add to Chrome