logo

Crowdly

Browser

Add to Chrome

Комп`ютерна логіка

Looking for Комп`ютерна логіка test answers and solutions? Browse our comprehensive collection of verified answers for Комп`ютерна логіка at exam.nuwm.edu.ua.

Get instant access to accurate answers and detailed explanations for your course questions. Our community-driven platform helps students succeed!

Булева функция, що дорівнює 1 тільки на одному наборі аргументів ‒ це:

View this question

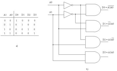
Цифровий пристрій на малюнку – це:

0%
0%
0%
0%
0%
View this question

Лічильний тригер - це:

0%
0%
0%
0%
View this question

Пристрій для запам’ятовування одного біту двійкового коду – це:

0%
0%
0%
0%
0%
View this question

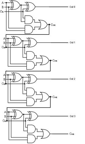
Цифровий пристрій на малюнку ‒ це:

View this question

Want instant access to all verified answers on exam.nuwm.edu.ua?

Get Unlimited Answers To Exam Questions - Install Crowdly Extension Now!

Browser

Add to Chrome