logo

Crowdly

Browser

Add to Chrome

Комп`ютерна логіка

Looking for Комп`ютерна логіка test answers and solutions? Browse our comprehensive collection of verified answers for Комп`ютерна логіка at exam.nuwm.edu.ua.

Get instant access to accurate answers and detailed explanations for your course questions. Our community-driven platform helps students succeed!

Найбільш вживані логічні операції при мінімізації булевих функцій ‒ це:

0%
0%
View this question

Типи цифрових лічильників – це:

View this question

Яке найбільше двійкове число може встановитися на виході 4-розрядного підсумовуючого лічильника?

0%
0%
0%
0%
View this question

Лічильний тригер ‒ це:

0%
0%
0%
0%
View this question

Логічний елемент, що реалізує функцію XOR – це:

0%
0%
0%
0%
0%
View this question

Які цифрові пристрої входять до статичної пам’яті?

0%
0%
0%
0%
0%
View this question

Булева функция, що дорівнює 0 тільки на одному наборі аргументів ‒ це:

0%
0%
0%
0%
0%
View this question

В яку форму представлення потрібно перетворити булеву функцію при застосуванні карти Карно?

0%
0%
View this question

Частка двійкових чисел 110 : 11 - це:

0%
0%
0%
0%
0%
View this question

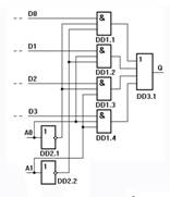
Схема цифрового пристрою на малюнку – це:

0%
0%
0%
0%
View this question

Want instant access to all verified answers on exam.nuwm.edu.ua?

Get Unlimited Answers To Exam Questions - Install Crowdly Extension Now!

Browser

Add to Chrome