logo

Crowdly

Browser

Add to Chrome

ECE3161 Analogue Electronics - MUM S2 2025

Looking for ECE3161 Analogue Electronics - MUM S2 2025 test answers and solutions? Browse our comprehensive collection of verified answers for ECE3161 Analogue Electronics - MUM S2 2025 at learning.monash.edu.

Get instant access to accurate answers and detailed explanations for your course questions. Our community-driven platform helps students succeed!

Q6. Find the resistance

The filter given below is known as an all pass filter. If T(s)T(s) is the transfer function v_{out}(s)/v_{in}(s)v_{out}(s)/v_{in}(s) of the filter where ss is the Laplace variable, first find |T(\omega)||T(\omega)| and angle T(\omega)T(\omega), where \omega\omega is the Fourier variable. If the desired phase shift is -30^o-30^o (-30-30 degrees) at operating frequency of 5\times10^3\text{rad}/\text{s}5\times10^3\text{rad}/\text{s}, what is the value of RR if C=10\text{nF}C=10\text{nF}?

0%
100%
0%
0%
0%
View this question
Q3. Determine the condition which gives real poles

For the filter below, determine the condition which gives real poles to the transfer function v_{out}(s)/v_{in}(s)v_{out}(s)/v_{in}(s) where ss is the Laplace variable. 

0%
0%
0%
0%
0%
View this question

Q2. Determine the type and poles and zeros of the filter

For the circuit below, determine poles and zeros of the transfer function v_{out}(s)/v_{in}(s)v_{out}(s)/v_{in}(s) where ss is the Laplace variable. What type of filter is this?

0%
0%
0%
0%
0%
View this question

Q1. Determine the transfer function of the filter 

For the circuit below, determine the transfer function v_{out}(s)/v_{in}(s)v_{out}(s)/v_{in}(s) where ss is the Laplace variable. 

100%
0%
0%
0%
0%
View this question

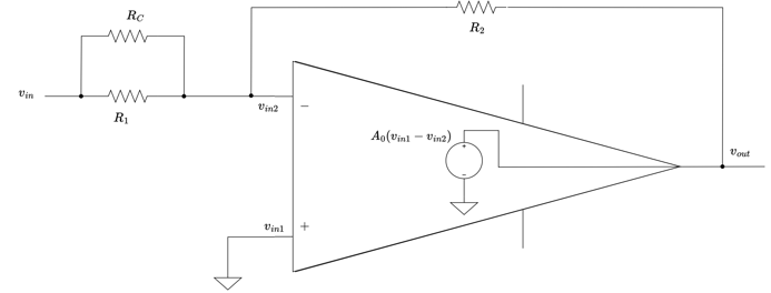
Q9. Find the resistance

The op-amp below is ideal except for having a finite open-loop gain A_0A_0 and is used to realize an inverting amplifier whose gain has a nominal (desired) value G=-R_2/R_1G=-R_2/R_1. To compensate for the gain reduction due to the finite gain A_0A_0, a resistance R_cR_c is shunted across R_1R_1. Find the value for R_cR_c  which gives perfect compensation so that the setup gives gain G=-R_2/R_1G=-R_2/R_1

 

0%
0%
0%
0%
100%
View this question

Q6. Find the dc input bias cancelling resistor

Consider the analogue integrator below with explicitly shown V_{OS}=2\text{mV}V_{OS}=2\text{mV} input dc offset voltage at the non-inverting input; and  input bias currents I_B=0.1\mu\text{A}I_B=0.1\mu\text{A} and input offset current  I_{OS}=20\text{nA}I_{OS}=20\text{nA} (which can be used to calculate I_{BI}I_{BI} and I_{BN}I_{BN} below). To provide a finite dc gain, a resistor R_2=1\text{M}\OmegaR_2=1\text{M}\Omega is connected across the capacitor C_2=10\text{nF}C_2=10\text{nF}. To compensate for the effect of I_BI_B, a resistor R_3R_3 is connected to the non-inverting input terminal. Find the value of R_3R_3. Here, R_1=10\text{k}\OmegaR_1=10\text{k}\Omega

100%
0%
0%
0%
0%
View this question

Q5. Find the dc offset voltage at the output

Consider the difference amplifier below with explicitly shown V_{OS}=5\text{mV}V_{OS}=5\text{mV}  input dc offset voltage at the non-inverting input; and  input bias currents I_B=1\mu\text{A}I_B=1\mu\text{A} and input offset current I_{OS}=0.2\mu\text{A}I_{OS}=0.2\mu\text{A} (which can be used to calculate I_{BI}I_{BI} and I_{BN}I_{BN} below). Find the dc offset voltage at the output. Here, R_1=R_3=10\text{k}\OmegaR_1=R_3=10\text{k}\Omega, and R_2=R_4=1\text{M}\OmegaR_2=R_4=1\text{M}\Omega.

0%
0%
0%
0%
0%
View this question

Q4. Find the closed loop gain

Consider the integrator shown below with finite loop gain A_0A_0 , and input resistance R_{in}R_{in} as shown below. Find the closed loop gain v_{out}/v_{in}v_{out}/v_{in}.

 

100%
0%
0%
0%
0%
View this question

Q3. Find the closed loop gain

Consider the integrator shown below with finite loop gain A_0A_0 , and output resistance R_{out}R_{out} as shown below. Find the closed loop gain v_{out}/v_{in}v_{out}/v_{in}.

 

0%
0%
0%
0%
0%
View this question

Q2. Find the closed loop gain and input impedance

A non-inverting amplifier employs an op-amp with a finite loop gain A_0A_0 , and input resistance R_{in}R_{in} as shown below. Find the closed loop gain v_{out}/v_{in}v_{out}/v_{in} and input impedance.

0%
100%
0%
0%
0%
View this question

Want instant access to all verified answers on learning.monash.edu?

Get Unlimited Answers To Exam Questions - Install Crowdly Extension Now!

Browser

Add to Chrome