logo

Crowdly

Browser

Add to Chrome

ECE3161 Analogue Electronics - MUM S2 2025

Looking for ECE3161 Analogue Electronics - MUM S2 2025 test answers and solutions? Browse our comprehensive collection of verified answers for ECE3161 Analogue Electronics - MUM S2 2025 at learning.monash.edu.

Get instant access to accurate answers and detailed explanations for your course questions. Our community-driven platform helps students succeed!

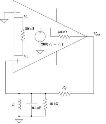
Q7. Determine the oscillation frequency

Consider the oscillator below which is driven by a dependent current source.  Assuming sufficient g_mg_m there to sustain oscillations, find the oscillation frequency in rad/s?

0%
0%
0%
100%
0%
View this question

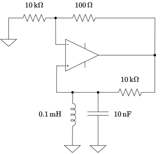
Q8. Determine the oscillation frequency

Find the oscillation frequency of the op-amp oscillator below. 

0%
0%
0%
0%
100%
View this question

Q6. Determine the oscillation frequency

The oscillation frequency of an LC oscillator is given by f= \frac{1}{2\pi\sqrt{LC}}f= \frac{1}{2\pi\sqrt{LC}}, where LL and CC are the values of the inductor and capacitor setting the oscillation. For the oscillator below. find the oscillation frequency. 

100%
0%
0%
0%
0%
View this question

Q5. Determine the component values 

The oscillation frequency of an LC oscillator is given by f= \frac{1}{2\pi\sqrt{LC}}f= \frac{1}{2\pi\sqrt{LC}}, where LL and CC are the values of the inductor and capacitor setting the oscillation. For the oscillator below. find the values of LL and R_fR_f so that the oscillation frequency is 5\text{kHz}5\text{kHz}

0%
0%
0%
0%
0%
View this question

Q3. Determine the gain and phase to sustain oscillations

A negative feedback system is shown below. Under what conditions does the system oscillate?

0%
0%
0%
100%
0%
View this question

Q4. Determine the oscillation frequency (angular frequency) and a filter parameter

A sinusoidal oscillator consists of an amplifier having a positive, frequency-independent gain A connected in a feedback loop with a second order bandpass filter having the transfer function T(s) = \frac{(\frac{\omega_0}{Q})sK}{s^2 + (\frac{\omega_0}{Q})s + \omega_0^2}T(s) = \frac{(\frac{\omega_0}{Q})sK}{s^2 + (\frac{\omega_0}{Q})s + \omega_0^2} , where ss is the Laplace variable, and KK, \omega_0\omega_0, and QQ are positive constants. Find the frequency of oscillation and the minimum value of KK must have for sustained oscillations. 

100%
0%
0%
0%
0%
View this question

Q2. Determine the oscillation frequency

The oscillation frequency of an LC oscillator is given by f= \frac{1}{2\pi\sqrt{LC}}f= \frac{1}{2\pi\sqrt{LC}}, where LL and CC are the values of the inductor and capacitor setting the oscillation. For the oscillator below. find the oscillation frequency. 

100%
0%
0%
0%
0%
View this question

Q1. Determine the gain and phase to sustain steady state sinusoidal oscillations

For the system description of the oscillator circuit below. determine the gain G and phase \theta\theta that will ensure steady-state sinusoidal oscillation. 

0%
0%
0%
0%
0%
View this question

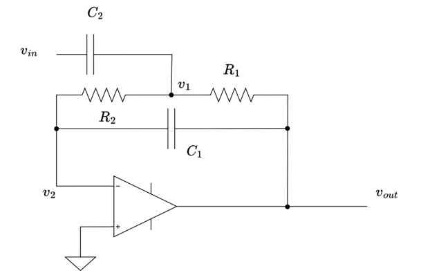
Q10. Find component values to make the transfer function frequency independent

The filter given below has the transfer function T(s)= v_{out}(s)/v_{in}(s)T(s)= v_{out}(s)/v_{in}(s) where ss is the Laplace variable. If C_1 \neq C_2C_1 \neq C_2, and R_1 \neq R_2R_1 \neq R_2, given C_1C_1, R_1R_1, find C_2C_2, and  R_2R_2, if gain is frequency independent and equal to -G-G where GG is a real positive number. 

Circuit

0%
0%
0%
0%
0%
View this question

Q7. Find frequency that gives maximum gain

The bandpass filter given below has the transfer function  T(s) = v_{out}(s)/v_{in}(s)T(s) = v_{out}(s)/v_{in}(s) where ss is the Laplace variable. At what frequency \omega~\text{rad}/\text{s}\omega~\text{rad}/\text{s} (where \omega\omega is the Fourier variable), the gain of the filter is maximum?

0%
0%
100%
0%
0%
View this question

Want instant access to all verified answers on learning.monash.edu?

Get Unlimited Answers To Exam Questions - Install Crowdly Extension Now!

Browser

Add to Chrome