logo

Crowdly

Browser

Add to Chrome

ECE3161 Analogue Electronics - MUM S2 2025

Looking for ECE3161 Analogue Electronics - MUM S2 2025 test answers and solutions? Browse our comprehensive collection of verified answers for ECE3161 Analogue Electronics - MUM S2 2025 at learning.monash.edu.

Get instant access to accurate answers and detailed explanations for your course questions. Our community-driven platform helps students succeed!

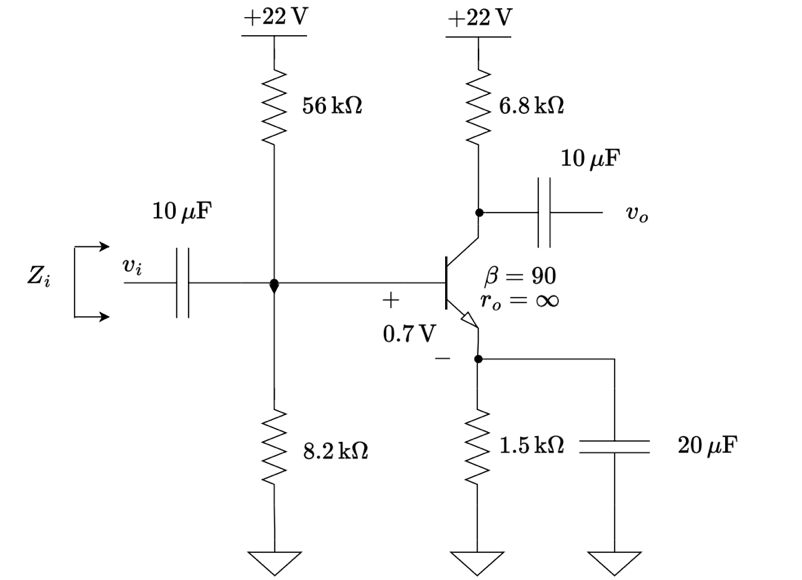
Q1. Find the small signal gain and input impedance

For the biased transistor below, find the small signal gain  v_o/v_i v_o/v_i and the input impedance  Z_i Z_i. Take V_{T}=26 mVV_{T}=26 mV 

0%
0%
0%
0%
0%
View this question

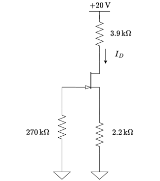
Q10. Find drain current and source voltage

For the circuit given below, find the drain current, I_DI_D and source voltage V_SV_S. Assume that the N channel depletion JFET has I_{DSS}=15I_{DSS}=15 mA , V_{GS(\text{off)}}=-3V_{GS(\text{off)}}=-3 V and \lambda=0\lambda=0

0%
100%
0%
0%
0%
View this question

Q9 . Find drain current

For the N channel depletion JFET given below, find the drain current, I_DI_D. Assume that the N channel depletion JFET has I_{DSS}=10I_{DSS}=10 mA and V_{GS(\text{off)}}=-4V_{GS(\text{off)}}=-4 V, \lambda=0\lambda=0

0%
0%
0%
0%
0%
View this question

Q7. Find the source and drain resistances, and drain current

Find R_DR_D, R_SR_S, I_dI_d for the NMOS with k_n=4k_n=4 mA/V2, V_t=0.4V_t=0.4 V, and \lambda = 0\lambda = 0

0%
100%
0%
0%
0%
View this question

Q8. Find Drain and Gate Resistances

Find R_DR_D, R_GR_G, if the NMOS in the setup below carries 88 mA drain current. The NMOS was characterized separately so that it carried 55 mA current when biased with V_{GS}=4V_{GS}=4 V. The NMOS has a threshold voltage of 2.52.5 V and its \lambda = 0\lambda = 0

0%
0%
0%
0%
100%
View this question

Q4. Find the voltage

Assuming both transistors are active and each has \beta=100\beta=100, find the voltage V_BV_B

0%
0%
0%
0%
100%
View this question

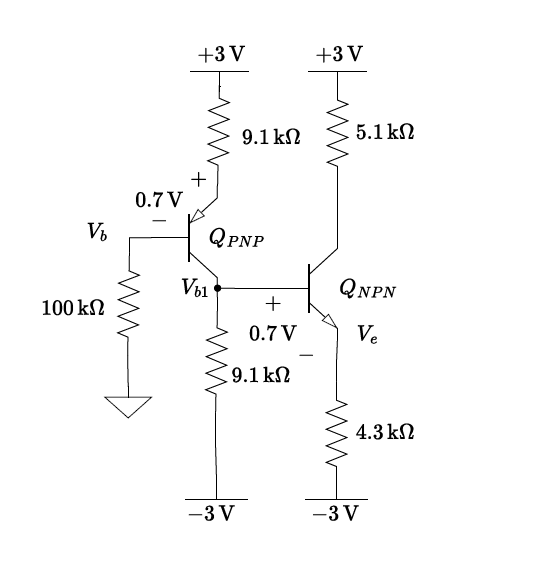
Q4. Find the voltages  

For the two transistor circuit given , find voltages V_{b1}V_{b1} and V_eV_e assuming both transistors are active and their transistor \beta\beta values are extremely high. 

0%
0%
0%
0%
0%
View this question

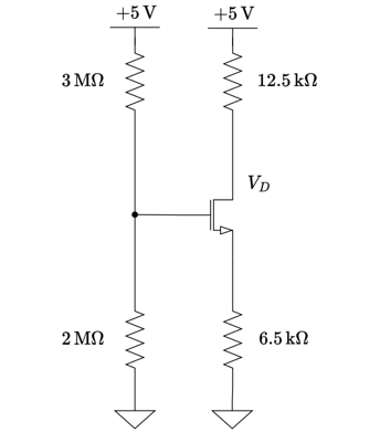
Q6. Find the drain voltage

Find the drain voltage V_DV_D of the NMOS with k_n=10 k_n=10 mA/V2, V_t=0.5V_t=0.5 V, and \lambda = 0\lambda = 0

100%
0%
0%
0%
0%
View this question

Q3. Find the base bias voltage

If the NPN transistor below is at the edge of saturation, what would be the bias voltage V_{BB}V_{BB}.

0%
0%
0%
0%
0%
View this question

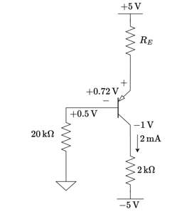
Q2. Find the emitter resistance

Find emitter resistance R_ER_E of the PNP bias circuit below.

0%
0%
100%
0%
0%
View this question

Want instant access to all verified answers on learning.monash.edu?

Get Unlimited Answers To Exam Questions - Install Crowdly Extension Now!

Browser

Add to Chrome