logo

Crowdly

Browser

Add to Chrome

ECE3161 Analogue Electronics - MUM S2 2025

Looking for ECE3161 Analogue Electronics - MUM S2 2025 test answers and solutions? Browse our comprehensive collection of verified answers for ECE3161 Analogue Electronics - MUM S2 2025 at learning.monash.edu.

Get instant access to accurate answers and detailed explanations for your course questions. Our community-driven platform helps students succeed!

Q1. Find bias voltage and emitter current

Find V_cV_c and I_eI_e in the circuit below assuming transistor \beta\beta is very high. 

0%
0%
0%
0%
100%
View this question

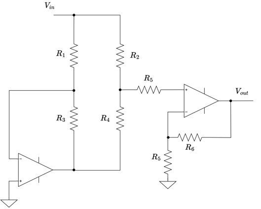
Q10. Find the output voltage

For the circuit layout given below, find V_{out}V_{out} as a function of V_{in}V_{in}.

0%
0%
0%
0%
0%
View this question

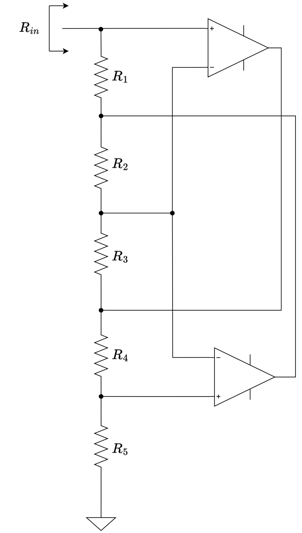
Q9. Find the Input Impedance

For the circuit given below, find the input impedance, R_{in}R_{in} as shown assuming both op-amps are ideal and identical. 

0%
0%
0%
0%
0%
View this question

Q8. Output Voltage in Terms of Input Signals

Consider the following circuit with identical op-amps. Find the voltage V_{out}V_{out} in terms of V_{in1}V_{in1} and V_{in2}V_{in2}.  

0%
100%
0%
0%
0%
View this question

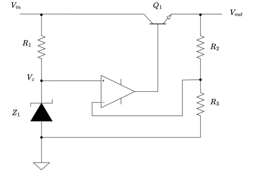
Q7. Voltage Regulator

The circuit below is a voltage regulator and produces a stabilized output voltage. The circuit incorporates a transistor Q1 in an emitter-follower configuration within the feedback loop. The transistor's role is to supply the load with a current greater than what can be achieved with the op-amp alone. Simultaneously, a Zener diode Z1 provides a stable input voltage VzVz to the non-inverting terminal of the op-amp. The resistor R_1R_1 maintains the Zenor diode in its operating region and hence stable VzVz - the operational amplifier functions as a voltage comparator. Find the output voltage V_{out}V_{out}, when V_{in} > V_{z}V_{in} > V_{z}

0%
0%
100%
0%
0%
View this question

Q6. Find the output gain in terms of input signals

For the ideal op-amp given below, what is V_{out}V_{out}, if the input waveform is sinusoidal with the form A \text{sin}(\omega t)A \text{sin}(\omega t), where A>0A>0 and \omega>0\omega>0. Assume the diode D1 is a precision ideal diode so that it is fully conducting with no resistance for positive voltage and open circuit for reverse voltage, both applied from anode to cathode. 

0%
0%
0%
0%
100%
View this question

Q5. Find the output gain in terms of input signals

For the ideal op-amp given below, what is V_{out}V_{out} in terms of V_{in1}V_{in1} and V_{in2}V_{in2} ?

0%
0%
0%
0%
100%
View this question

 Q4. Find the output gain

For the ideal op-amp given below, what is the gain V_{out}/V_{in}V_{out}/V_{in} ?

0%
0%
0%
100%
0%
View this question

Q3. Op-Amp Gain

For the ideal op-amp given below, what is the gain V_{out}/V_{in}V_{out}/V_{in} ?

0%
0%
100%
0%
0%
View this question

Q2. Find resistance value to get desired gain

For the ideal op-amp given below, what is the value of resistance Rx to get gain  V_{out}/V_{in} = -A_f V_{out}/V_{in} = -A_f ? (Assume A_fR_1>R_2+R_3A_fR_1>R_2+R_3).

0%
0%
0%
0%
100%
View this question

Want instant access to all verified answers on learning.monash.edu?

Get Unlimited Answers To Exam Questions - Install Crowdly Extension Now!

Browser

Add to Chrome