logo

Crowdly

Browser

Add to Chrome

Project Lab (including SMSCP Level 1)_Elective A/B

Looking for Project Lab (including SMSCP Level 1)_Elective A/B test answers and solutions? Browse our comprehensive collection of verified answers for Project Lab (including SMSCP Level 1)_Elective A/B at lms.bstsrhberlin.com.

Get instant access to accurate answers and detailed explanations for your course questions. Our community-driven platform helps students succeed!

How does the Pneumatic Cylinder shown below retract?

0%
0%
0%
0%
View this question

What statement about the detecting the advanced or retracted position of the piston rod, shown below are correct?

0%
0%
0%
100%
View this question

A hydraulic valve is defined as a 5/2 - way valve. What do the numbers 5/2 mean in this definition?

25%
0%
0%
75%
View this question

What do you use to protect devices from Power overloads?

0%
0%
0%
0%
View this question

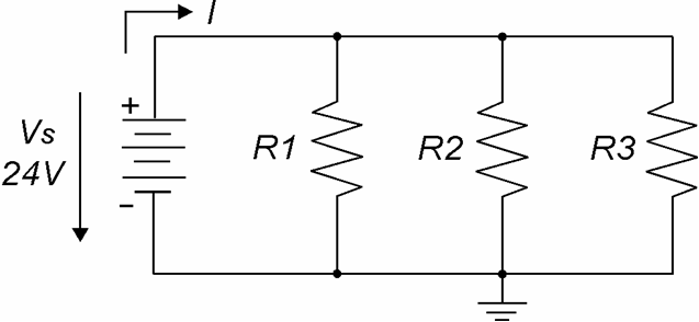
A sudden increase in the total current, in a

parallel circuit, as shown below, may indicate

:

0%
0%
100%
0%
0%
View this question
You are working as a Factory technician in a Automotive factory and are responsible for the maintenance of the conveyor system. During your daily check, you recognise a wear at the belt. There is no right spare part at your location. What would you do?

0%
0%
0%
0%
View this question

What are the hardware components placed at positions 2, 4, and 5?

The available options are as follows:

(A)  CPU

(B)  DI 16/ DO 16

(C)  DI 8/ DO 8

(D)  HMI

 

0%
0%
0%
0%
View this question

Which of the following statements about Transformers are CORRECT?

HINT - Two answers are right

0%
0%
0%
0%
View this question

When the needle of an analog ohmmeter indicates infinity, the resistor being measured is:

0%
0%
0%
100%
View this question

In the crankshaft position sensor, as shown below, the induced voltage

across the coil is caused by ..

0%
0%
0%
0%
0%
View this question

Want instant access to all verified answers on lms.bstsrhberlin.com?

Get Unlimited Answers To Exam Questions - Install Crowdly Extension Now!

Browser

Add to Chrome