logo

Crowdly

Browser

Add to Chrome

Технічна механіка. Теоретична та прикладна механіка (екзаменаційний тест 2025)

Looking for Технічна механіка. Теоретична та прикладна механіка (екзаменаційний тест 2025) test answers and solutions? Browse our comprehensive collection of verified answers for Технічна механіка. Теоретична та прикладна механіка (екзаменаційний тест 2025) at mdl.ksma.ks.ua.

Get instant access to accurate answers and detailed explanations for your course questions. Our community-driven platform helps students succeed!

Якою за величиною зосередженою

силою, що відповідає розподіленій силі з концентрацією

q,

  створюється згинальний момент

відносно точки А, рівний 90

кН·м

?

0%
100%
0%
0%
0%
View this question

0%
0%
0%
0%
View this question

Яка форма зубів у зубчастого колеса циліндричної передачі?

0%
0%
0%
100%
View this question

Яке значення крутного моменту

Т

4 одержимо, якщо момент на валу двигуна Т1=120 кН·м; z1= 20;  z2= 50;    d

=

50

мм;   d= 200 мм?

0%
0%
0%
0%
100%
View this question

Визначити швидкість обертання вхідного валу редуктора,

якщо відомо:  z

= 18;  z= 72;  zч = 2;  zк = 54, а вихідний вал має швидкість обертання nвих

= 40

хв

-1.

0%
0%
0%
0%
0%
0%
View this question

Крапка А одного зі шківів має швидкість VA=8 см/с. Швидкість крапки В іншого шківа в цьому випадку дорівнює

0%
100%
0%
0%
View this question

Укажіть напрямок реакцій зв'язку, якщо зв'язок - рухливий циліндричний

шарнір

0%
0%
0%
100%
View this question

На малюнку представлений графік руху крапки, що має

різні швидкості на окремих ділянках руху

. Визначити ділянку на якій швидкість є максимальною

0%
0%
0%
0%
0%
View this question

У якому випадку тіло перебуває в рівновазі? 

0%
0%
0%
0%
View this question

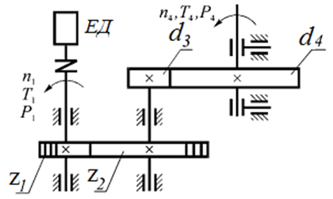
З якою кутовою швидкістю ω4

буде обертатися вихідний ведений вал, якщо 

z

1= 18;   z

=

45;  

d3

= 40 мм;  

d4

= 160 мм; ω

1= 24 рад/с?

100%
0%
0%
0%
0%
View this question

Want instant access to all verified answers on mdl.ksma.ks.ua?

Get Unlimited Answers To Exam Questions - Install Crowdly Extension Now!

Browser

Add to Chrome